আজকে আমরা ইলেকট্রনিক্স এর মূল্যায়ন আলোচনা করবো। যা বাউবি এইচএসসি ২৮৭১ পদার্থ বিজ্ঞান ২য় পত্র ইউনিট ১০ ইলেকট্রনিক্স এর অন্তর্ভুক্ত।

ইলেকট্রনিক্স এর মূল্যায়ন
১। তাপমাত্রা বৃদ্ধি পেলে –
(i) অর্ধপরিবাহীর রোধ বৃদ্ধি পায়
(ii) অর্ধপরিবাহীর রোধ হ্রাস পায়
(iii) পরিবাহীর পরিবাহিতা হ্রাস পায়
নিচের কোনটি সঠিক ?
(ক) i ও ii
(খ) i ও iii
(গ) ii ও iii
(ঘ) i, ii ও iii
২। নিচের কোন জাতীয় পদার্থে শক্তি ব্যবধান সবচেয়ে বেশি?
(ক) ধাতু
(খ) অতি পরিবাহী
(গ) অন্তরক
(ঘ) অর্ধপরিবাহী
৩। হোল সৃষ্টি হয় কোন ব্যান্ডে?
(ক) যোজন ব্যান্ডে
(খ) পরিবহন ব্যান্ডে
(গ) নিষিদ্ধ শক্তি ব্যবধানে
(ঘ) শক্তি ব্যান্ডে
৪। একটি p-টাইপ অর্ধপরিবাহী পদার্থের ক্ষেত্রে, গরিষ্ঠ আধান বাহক হলে –
(ক) হোল
(খ) ইলেকট্রন
(গ) প্রোটন
(ঘ) নিউট্রন
৫। যদি কোনো ডায়োডে সম্মুখী ঝোঁক বৃদ্ধি করা হয়, ডিপেন্টশন ড়রের প্রস্থ-
(ক) ওঠানামা করে
(খ) হ্রাস পায়
(গ) বৃদ্ধি পায়
(ঘ) ওঠানামা করে না

বহুপদী সমাপ্তিসূচক বহুনির্বাচনী প্রশ্ন
৬। একটি বিশুদ্ধ সিলিকন অর্ধ পরিবাহীর ক্ষেত্রে –
(i) পরিবহন ব্যান্ড প্রায় খালি থাকে
(ii) তাপমাত্রা বৃদ্ধি পেলে বিদ্যুৎ পরিবাহিতা বৃদ্ধি পায়
(iii) শক্তি ব্যবধান Eg-এর মান প্রায় 0.7cV
নিচের কোনটি সটিক?
(ক) i
(খ) i ও ii
(গ) ii ও iii
(ঘ) i, ii ও iii
৭। হেক্সাডেসিমাল পদ্ধতিতে ব্যবহৃত প্রতীক হলো-
(ক) 2 টি
(খ) ৪ টি
(গ) 10 টি
(ঘ) 16 টি
৮। OR গেটের আউটপুট কখন 1 হবে?
(ক) যখন উভয় ইনপুট ‘0’ হয়
(খ) যখন যে কোন একটি ইনপুট ‘0’ হয়।
(গ) কেবলমাত্র, উভয় ইনপুট ‘1’ হলে
(ঘ) যখন যে কোন একটি বা উভয় ইনপুট ‘1” হলে
সৃজনশীল প্রশ্ন
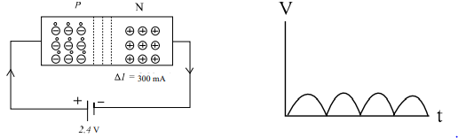
১। নিচের চিত্রটি লক্ষ কর এবং নিম্ন বর্ণিত প্রশ্নের উত্তর দাও :

(ক) শক্তি ব্যান্ড কী?
(খ) অর্ধপরিবাহীর রোধের উষ্ণতা সহগ ঋণাত্মক ব্যাখ্যা কর।
(গ) ১ম চিত্রে বায়াস ভোল্টেজ 2.4V থেকে বাড়িয়ে 2.50 V করা হলে জাংশনটির গতীয় রোধ নির্ণয় কর ।
(ঘ) উদ্দীকের চিত্র -১ হতে চিত্র-২ পাওয়ার জন্য প্রয়োজনীয় বর্তনী চিত্র অংকন কর এবং ঘটনাটি ব্যাখ্যা কর।
২। একটি কমন বেস সংযোগে থাকা ট্রানজিস্টারের নিঃসারক ও বেস প্রবাহ যথাক্রমে 0.85mA 3 0.05 mA
(ক) ডোপিং কী?
(খ) ট্রানজিস্টারের বেস অংশ পাতলা হয় কেন? ব্যাখ্যা দাও।
(গ) উদ্দীপকের ট্রানজিস্টারটির প্রবাহ বিবর্ধন গুণক নির্ণয় কর।
(ঘ) নিঃসারক ও বেস প্রবাহদ্বয় দ্বিগুণ করা হলে ট্রানজিস্টারটির প্রবাহ লাভের পরিবর্তন গাণিতিকভাবে বিশেষণ কর।

সংক্ষিপ্ত উত্তর প্রশ্ন :
১ । শক্তি ড়র ও শক্তি ব্যান্ড বলতে কী বুঝ ?
২। যোজন ব্যান্ড বলতে কী বোঝ?
৩। পরিবহন ব্যান্ড কী বোঝ ?
8। নিষিদ্ধ ব্যান্ড বলতে কী বোঝ?
৫ ৷ অর্ধপরিবাহী কাকে বলে?
৬ । অর্ধপরিবাহীর বৈশিষ্ট্যগুলো লেখ।
৭। ডোপিং কী ?
৮। যোজন ইলেকট্রন কী?
৯ । মুক্ত ইলেকট্রন কী?
১০। অর্ধপরিবাহী ডায়োড কী?
১১। লঘিষ্ঠ আধান বাহক কী?
১২। গরিষ্ঠ আধান বাহক বলতে কী বুঝ?
১৩। ট্রানজিস্টর কী?
১৪ । Pan জাংশন কী
১৫। জেনার বিভব কী?
১৬। জেনার ক্রিয়া বলতে কী বুঝ ?
১৭। অ্যাম্পলিফায়ার কী?
১৮। লজিক গেট কাকে বলে?
১৯। OR কাকে বলে?
২০। NOT কাকে বলে?
২১। AND গেট কী?

বিশদ উত্তর প্রশ্ন :
১। ব্যান্ড তত্ব কী? ব্যান্ড তত্ত্বের সাহায্যে পরিবাহী, অর্ধপরিবাহী ও অক বস্তুর আচরণ ব্যাখ্যা কর ।
২। ইনট্রিন্সিক বা সহজাত অর্ধ পরিবাহী ও এক্সট্রিন্সিক বা বহির্জাত অর্ধপরিবাহী বলতে কী বুঝ?
৩। একটি p- টাইপ অর্ধপরিবাহীর গঠন কৌশল বর্ণনা কর।
৪ ।একটি -টাইপ অর্ধপরিবাহীর গঠন কৌশল ব্যাখ্যা কর।
৫। অর্ধপরিবাহী ডায়োডে সম্মুখী ঝোঁক ও বিমুখী ঝোঁক বলতে কী বুঝ?
৬। পূর্ণ-তরঙ্গ ব্রীজ রেকটিফায়ারের সাহায্যে একটি দিক পরিবর্তী প্রবাহকে একমুখী প্রবাহে রূপান্ডুরিত করা যায় বর্ণনা কর।
৭। একটি p-n-p ট্রানজিস্টরের গঠন ও কার্যনীতি বর্ণনা কর ।
৮। একটি in-p-n ট্রানজিস্টরের গঠন ও কার্যনীতি বর্ণনা কর ।
৯। অ্যামপিণ্টফায়ার হিসেবে ট্রানজিস্টরের ব্যবহার আলোচনা কর।
১০। নম্বর পদ্ধতি কী? দশমিক, বাইনারি, অকটাল ও হেক্সাডেসিমেল নম্বর পদ্ধতি সম্পর্কে আলোচনা কর ।
১১। দশমিক, বাইনারি, অকটাল ও হেক্সাডেসিমেল সংখ্যার মৌলিক প্রতিক এবং ভিত্তি লেখ।
১২ । 1 থেকে 16 পর্যন্ত্ দশমিক সংখ্যাগুলোর সমকক্ষ বাইনারি, অকটাল ও হেক্সাডেসিমেল সংখ্যা নির্ণয় কর।
১৩। প্রতিকসহ তিনটি মৌলিক গেটের সত্যক সারণী লেখ।
১৪ । মৌলিক লজিক গেটগুলো সম্পর্কে সংক্ষেপে আলোচনা কর ।

গাণিতিক সমস্যা
১। একটি pn জংশনে 2 V বিভব পার্থক্যের জন্য তড়িৎ প্রবাহ 600 mA এবং 2.3 V বিভব পার্থক্যের জন্য তড়িৎ প্রবাহ 900 mA হলে এর গতীয় রোধ কত?
[ : 1.02 ]
২। ১০.২ : একটি – জংশন সম্মুখী ঝোঁকে আছে। বিভব পার্থক্য 2.2 V থেকে বৃদ্ধি করে 2.4 V করায় এর প্রবাহমাত্রা p- 400 mA বৃদ্ধি পেল । জংশনের গতীয় রোধ কত?
[ : 0.52 ]
৩। একটি ট্রানজিস্টরের ক্ষেত্রে a = 0.95 এবং IE = 1 mA হলে B কত?
[ উ : 19 ]
৪। একটি কমন বেস টানজিস্টরে কালেক্টর প্রবাহ 0.85 mA এবং বেস প্রবাহ 0.05 mA । এর প্রবাহ বিবর্ধন গুণক নির্ণয় কর।
[ : 0.944 ]
৫। একটি কমন বেস ট্রানিজস্টর এমিটার কারেন্ট 100 HA থেকে 150 HA এ বৃদ্ধি করায় এর কালেক্টর কারেন্ট 98 A থেকে 147 HA এ উন্নীত হলো। এর প্রবাহ বিবর্ধন গুণক নির্ণয় কর।
[ উ : 0.98 ]
৬। (19.375)10 কে বইনারি সংখ্যায় রূপা কর।
[ উ: (10011.011) 2 ]
৭। বাইনারি সংখ্যা (1111)2 হলে ডেসিমেল সংখ্যাটি বের কর।
[ উ: (15) 10 ]
৮। ডেসিমেল সংখ্যা (45) 10 কে বাইনারি সংখ্যায় পরিবর্তিত কর।
[ উ: (101101)2]
৯। (101001)2 কে দশমিক সংখ্যায় রূপা কর।
[ উ: (41) 10 ]
১০। (25)10 সংখ্যাটিকে বাইনারি সংখ্যায় রূপা কর ।
[ উ: (11001)2 ]
