আজকে আমরা আলোচনা করবো ডায়োডের পূর্ণ ব্রিজ ব্যবহার করে একটি দিক পরিবর্তী প্রবাহকে একমুখী প্রবাহে রূপান্তর। যা বাউবি এইচএসসি ২৮৭১ পদার্থ বিজ্ঞান ২য় পত্র ইউনিট ১০ ইলেকট্রনিক্স এর অন্তর্ভুক্ত।

ডায়োডের পূর্ণ ব্রিজ ব্যবহার করে একটি দিক পরিবর্তী প্রবাহকে একমুখী প্রবাহে রূপান্তর
পরীক্ষণের নাম :
ডায়োডের পূর্ণ ব্রিজ ব্যবহার করে একটি দিক পরিবর্তী প্রবাহকে একমুখী প্রবাহে রূপান্তর।
তত্ত্ব :
দৈনন্দিন জীবনে ইলেকট্রনিক যন্ত্রপাতি চালনা করার জন্য নিরবচ্ছিন্ন একমুখী প্রবাহ বা ডিসি প্রবাহের প্রয়োজন হয়। ব্যাটারি বা শুষ্ক কোষই হচ্ছে একমুখী প্রবাহের প্রধান উৎস। কিন্তু এদর ভোল্টেজ বেশ কম এবং প্রায়ই এগুলোকে পরিবর্তন করতে হয় বিধায় বেশ ব্যয়বহুল। এজন্য বৈদ্যুতিক লাইনের এসি ভোল্টেজকে ডিসি ভোল্টেজে রূপা করা হয়। যে পদ্ধতিতে এসি ভোল্টেজকে ডিসি ভোল্টেজে রূপান্ডু করা হয় তাকে বলা হয় রেকটিফিকেশন বা একমুখীকরণ।
পূর্ণতরঙ্গ রেকটিফায়ারে এসি ইনপুট ভোল্টেজ এর উভয় অর্ধচক্রের জন্য তড়িৎপ্রবাহ লোডের মধ্য দিয়ে একই দিকে প্রবাহিত হয়। একটি ব্রিজ রেকটিফায়ারের ক্ষেত্রে দুই জোড়া অর্থাৎ চারটি ডায়োড ব্যবহার করা হয়। ইনপুট এসি ভোল্টেজের ধনাত্মক অর্ধচক্রের জন্য এক জোড়া ডায়োড সম্মুখী ঝোঁক লাভ করে এবং অপর জোড়া ডায়োড বিমুখী ঝোঁকে থাকে।
সিগনাল বা সংকেতের ঋণাত্মক অর্ধচক্রের জন্য অপর এক জোড়া ডায়োড সম্মুখী ঝোঁকে থাকে ও অন্য জোড়া ডায়োড বিমুখী ঝোঁকে থাকে। এভাবে এসি ইনপুটের উভয় অর্ধ চক্রেই লোডের মধ্য দিয়ে একই দিকে একমুখী আউটপুট সৃষ্টি করে। স্পন্দন বিশিষ্ট আউটপুট ভোল্টেজের এসি অংশকে বাদ দেয়ার জন্য ফিল্টার বর্তনী ব্যবহার করা হয়।
যন্ত্রপাতি :
স্টেপডাউন ট্রান্সফর্মার, চারটি ডায়োড, লোড রেজিস্ট্যান্স, সংযোগ তার, ব্রেড বোর্ড (Bread Board), ধারক, রোধক ভোল্টমিটার, অসিলোস্কোপ ইত্যাদি।
বর্তনী সংযোগ :
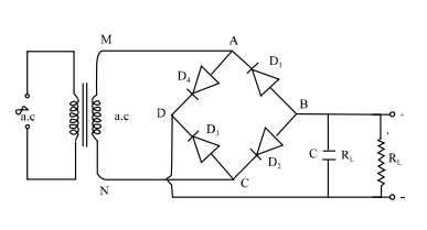
D1, D2, D3 এবং D, ডায়োড চারটি দিয়ে চিত্র (ক) এর ন্যায় একটি ব্রিজ গঠন করা হয় যে এসি ভোল্টেজকে একমুখী করতে হবে সেটি একটি ট্রান্সফর্মারের মাধ্যমে ব্রিজের দুই বিপরীত কৌণিক বিন্দুতে সংযোগ দেওয়া হয়। ব্রিজের অন্য দুই কৌণিক বিন্দুর মাঝে লোড রেজিস্ট্যান্স RL কে সংযুক্ত করা হয়।


কার্যপদ্ধতি (Procedure)
১। চিত্র ১০.৩১ (ক) অনুসারে বর্তনী সংযোগ দেয়া হলো। গৌণ কুন্ডলীর ধনাত্মক অর্ধচক্রের জন্য ট্রান্সফর্মারের M প্রার্ল্ড ধনাত্মক এবং N প্রাক্ড ঋণাত্মক হয়। ফলে ডায়োড D ও D3 সম্মুখী ঝোঁক প্রাপ্ত হয় এবং ডায়োড D2 ও D4 বিমুখী ঝোঁক লাভ করে। যার ফলে শুধুমাত্র এবং D, ডায়োডের মধ্য দিয়ে তড়িৎ প্রবাহিত হয়। সুতরাং তড়িৎ প্রবাহ MABEDCN পথ বরাবর চলে এবং লোড RL এর বিপরীতে বিভব পতন ঘটে যা RL এর দুই প্রাড়ে সংযুক্ত ওসিলোস্কোপে দেখা যায় [চিত্র (ক) ] ।
২। গৌণ কুন্ডলীর ঋণাত্মক অঘর্ধচক্রের জন্য ট্রান্সফর্মারের M প্রাক্ড ঋণাত্মক এবং N প্রাক্ড ধনাত্মক হয়। ফলে ডায়োড D2, ও D4 সম্মুখী ঝোঁক প্রাপ্ত হয় এবং D, D3 বিমুখী ঝোঁক প্রাপ্ত হয়। সুতরাং মুধুমাত্রা D2 ও D4 ডায়োডের মধ্য দিয়ে তড়িৎ প্রবাহিত হয়। সুতরাং তড়িৎপ্রবাহ MABEDCN পথ বরাবর চলে এবং লোড RL এর বিপরীতে বিভব পতন ঘটে এবং ওসিলোস্কোপে দেখা যায়।
সুতরাং চিত্র (ক) হতে দেখা যায় যে, লোড রেজিস্ট্যান্স RL এর ভিতর দিয়ে প্রবাহ একই দিকে চলে ।
৩। ইনপুট ও আউটপুট ভোল্টেজের আকার অসিলোস্কোপের সাহায্যে পর্যবেক্ষণ করা হলো। RL এর দুই প্রান্ত্ে ভোল্টমিটার সংযোগ দিয়ে ডিসি আউপুট ভোল্টেজ পরিমাপ করা হলো।

ফলাফল :
ইনপুটে প্রদত্ত এসি ভোল্টেজকে ডিসি ভোল্টেজে রূপান্ডুরিত করা হলো এবং অসিলোসেকাপের সাহায্যে পর্যবেক্ষণ করা হলো।
সতর্কতা :
(১) ডায়োডের পোলারিটি নিশ্চিত করে বর্তনীতে সংযুক্ত করতে হবে।
(২) বর্তনী সংযোগ সতর্কতার সাথে করতে হবে।
