আজকে আমরা তড়িৎ প্রবাহের ফলে সৃষ্ট চৌম্বক ক্ষেত্র: ওয়েরস্টেডের পরীক্ষা আলোচনা করবো। যা বাউবি এইচএসসি ২৮৭১ পদার্থ বিজ্ঞান ২য় পত্র ইউনিট ৩ তড়িৎ প্রবাহের চৌম্বক ক্রিয়া এর অন্তর্ভুক্ত।

তড়িৎ প্রবাহের ফলে সৃষ্ট চৌম্বক ক্ষেত্র: ওয়েরস্টেডের পরীক্ষা
ওয়েরস্টেডের পরীক্ষা
এই পরীক্ষায় NS একটি চুম্বক শলাকা (চিত্র ৩.১ক)। এটি উত্তর-দক্ষিণ বরাবর মুক্তভাবে স্থাপন করা আছে। এর দৈর্ঘ্য বরাবর একটি পরিবাহী তার সমাালভাবে রাখা হয়। পরিবাহীরর মধ্য দিয়ে তড়িৎ প্রবাহ চালনা করা হলে দেখা যায় যে, শলাকাটি চৌম্বক মধ্যতল হতে বিচ্যুত হচ্ছে এবং তারের সাথে সমকোণে স্থাপিত হওয়ার চেষ্টা করছে (চিত্র: ৩.১খ)। বিদ্যুৎ প্রবাহ বন্ধ করলে চুম্বক শলাকা পূর্বাবস্থায় ফিরে আসে (চিত্র ৩.১ক)। প্রবাহের মাত্রা বৃদ্ধি করলে বিক্ষেপের মাত্রা বৃদ্ধি পায়। প্রবাহের দিক পরিবর্তন করলে শলাকার বিক্ষেপের দিক পরিবর্তন হয় ।
ওয়েরস্টেডের পরীক্ষা থেকে চৌম্বক ক্ষেত্রের ধারণা পাওয়া যায়
এই পরীক্ষা হতে ওয়েরস্টেড সিদ্ধান্দ্রে আসেন যে, যেহেতু কেবলমাত্র কোনো চৌম্বকক্ষেত্রের প্রভাবেই চুম্বক শলাকাটির বিক্ষেপ সম্ভব, অতএব নিশ্চয়ই ঐ তড়িৎ প্রবাহের জন্য চৌম্বক ক্ষেত্রের উদ্ভব হয় এবং এর প্রাবল্য ও অভিমুখ ঐ তড়িৎ প্রবাহের মাত্রা ও অভিমুখের উপর নির্ভরশীল।
কোনো তড়িৎবাহী তারের চতুর্দিকে যে অঞ্চল জুড়ে একটি চৌম্বক শলাকা বিক্ষেপ দেখায় তাকে ঐ তড়িৎবাহী তারের চৌম্বক ক্ষেত্র বলে।

ব্যাখ্যা:
লম্বা সোজা পরিবাহীর মধ্য দিয়ে তড়িৎ প্রবাহিত করা হলে এর চারদিকে যে চৌম্বক ক্ষেত্রের সৃষ্টি হয়, তা চুম্বক শলাকার সাহায্যে চৌম্বক ক্ষেত্র রেখা (বা চৌম্বক আবেশ রেখা) অঙ্কিত করে দেখানো যায়। রেখাগুলিকে চৌম্বক বলরেখাও বলা হয়ে থাকে।
আনুভূমিকভাবে স্থাপিত একটি মসৃণ কার্ড বোর্ডের উপর একটি সাদা কাগজ বসানো হয় (চিত্র-৩.২ক) । বোর্ডের মাঝখানে ছিদ্রের মধ্য দিয়ে একটি তামার তার বোর্ডের সাথে লম্বভাবে স্থাপন করা হয়। এবার তারের মধ্য দিয়ে তড়িৎ প্রবাহিত করা হয় এবং চুম্বক শলাকার সাহায্যে চৌম্বক বলরেখা অঙ্কন করা হয়। চুম্বক শলাকার উত্তর মের ेর দিক অনুসরণ করে বলরেখা অঙ্কন করা হয়। তড়িৎ প্রবাহের অভিমুখ বিপরীত হলে চৌম্বক বলরেখার দিকও বিপরীত হবে (চিত্র ৩.২খ) ।
লম্বা সোজা পরিবাহীর জন্য কোনো বিন্দুতে চৌম্বক ক্ষেত্রের মান (১) পরিবাহীর মধ্য দিয়ে প্রবাহিত তড়িৎ প্রবাহের সমানুপাতিক এবং (২) বিন্দু থেকে পরিবাহীর দূরত্বের ব্যানুপাতিক ।
বিকল্প পদ্ধতি :
আনুভূমিকভাবে স্থাপিত একটি মসৃণ কার্ডবোর্ডের উপর লৌহচূর্ণ সুষমভাবে ছড়ানো হয় (চিত্র ৩.২গ)। বোর্ডকে ভেদ করে এর সাথে অভিলম্বভাবে কোনো তড়িৎবাহী লম্বা সোজা পরিবাহী স্থাপন করে বোর্ডটিকে আঙ্গুল দিয়ে আড়ে আড়ে টোকা দিলে লোহার টুকরাগুলি বিশেষ সজ্জায় সজ্জিত হয়। লোহার গুঁড়ার এ সজ্জা চৌম্বকক্ষেত্রের বলরেখার চিত্র নির্দেশ করে (চিত্র ৩.২গ)।

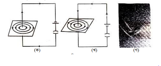
তড়িৎবাহী বৃত্তাকার পরিবাহীর সৃষ্ট চৌম্বক বলরেখা :
অনুভূমিকভাবে স্থাপিত মসৃণ কার্ডবোর্ডের উপর সাদা কাগজ স্থাপন করে দুটি ছিদ্রের মধ্য দিয়ে পরিবাহী তারের 10 পাক বিশিষ্ট বৃত্তাকার কুন্ডুলীর মধ্য দিয়ে তড়িৎ প্রবাহিত করা হল এবং চুম্বক শলাকার সাহায্যে চৌম্বক বলরেখা অঙ্কন করা হল (চিত্র ৩.৩)। দেখা যায় যে, যে বিন্দু দুটি ভেদ করে পরিবাহী স্থাপিত সে বিন্দুদুটির নিকটবর্তী স্থানে বলরেখাগুলি বৃত্তাকার। বৃত্তাকার পরিবাহীর কেন্দ্র বরাবর ক্ষুদ্র অঞ্চলের বলরেখাগুলি সোজা ও প্রায় সমাাল। তাই কেন্দ্রের এ ক্ষুদ্র অঙ্কন চৌম্বকক্ষেত্র সুষম চৌম্বক বল রেখার যেকোনো বিন্দুতে অঙ্কিত স্পর্শক চৌম্বক ক্ষেত্রের দিক নির্দেশ করে (চিত্র ৩.৪)। চৌম্বক ক্ষেত্রকে B দ্বারা সূচিত করা হয়। B-এর একক weber/m2 অথবা tesla (T).

B -এর মান
একটি একক চার্জ একক বেগে চৌম্বক ক্ষেত্রের সাথে সমকোণে গতিশীল হলে যে বল লাভ করে, তাই চৌম্বক ক্ষেত্রের মান
B = F /qv ……………………….(1)
এখানে, F = বল
q = চার্জ
V= চার্জের বেগ
(1) নং সমীকরণের ডান পাশের রাশিগুলোর একক বসালে চৌম্বকক্ষেত্রের B-এর একক পাওয়া যায়। এ একক হলো N ।
ক্রোয়েশিয়ার বিজ্ঞানী নিকোলা টেসলা এর নামানুসারে একে টেসলা (T) বলে। টেসলা হচ্ছে চৌম্বকক্ষেত্রের (Cms-1)
এসআই একক।
টেসলাঃ
এক চৌম্বকক্ষেত্র 1 কুলম্ব (C) আধান ক্ষেত্রের দিকের সাথে সমকোণে 1ms’ গতিশীল হলে IN বল অনুভব করে সেই চৌম্বকক্ষেত্রের মানকে 1 টেসলা বলে।
IT = IN/ Cms-1 = IN /Am = INA-1 m-1
অতএব, চৌম্বকক্ষেত্র সম্পর্কে আমরা যা জানতে পেরেছি তা হল,
(১) কোনো চুম্বক অথবা একটি গতিশীল চার্জের, চতুর্দিকে যে অঞ্চল জুড়ে একটি চুম্বক শলাকা বিক্ষেপ দেখায় তাকে ঐ চুম্বক বা গতিশীল চার্জের চৌম্বক ক্ষেত্র বলে।
(২) একটি একক চার্জ একক বেগে চৌম্বক ক্ষেত্রের সাথে সমকোণে গতিশীল হলে যে বল লাভ করে তাই চৌম্বক ক্ষেত্রের মান ।
(৩) একটি চুম্বক শলাকাকে চৌম্বক ক্ষেত্রের মধ্যে স্থাপন করলে তার উত্তর মের— যে দিক নির্দেশ করে, তাই চৌম্বক ক্ষেত্রের দিক। তড়িৎবাহী তারের জন্য চৌম্বক ক্ষেত্রের দিক ফ্লেমিঙের দক্ষিণ হড় নিয়ম দ্বারা নির্ণয় করা হয়।

চৌম্বকক্ষেত্রের অভিমুখ নির্ণয়
(ক) দক্ষিণ হস্ত্রের বৃদ্ধাঙুলের নিয়ম (Right hand thumb rule) : কোনো পরিবাহীর মধ্য দিয়ে প্রবাহিত তড়িৎ প্রবাহের অভিমুখ ডান হাতের মুঠোর বৃদ্ধাঙুলি দ্বারা নির্দেশ করলে অন্যান্য আঙুলগুলির অগ্রভাগ বলরেখা তথা চৌম্বকক্ষেত্রের অভিমুখ নির্দেশ করে।
(খ) ম্যাক্সওয়েলের কর্ক স্ক্রু নিয়ম (Maxwell’s cork-screw rule) : একটি ডান পাকের কর্ক স্ক্রুকে তড়িৎবাহী তারের তড়িৎ প্রবাহের অভিমুখে চালনা করলে বৃদ্ধাঙুলি যে দিকে ঘুরবে চৌম্বক বলারেখা তথা চৌম্বকক্ষেত্রের অভিমুখ সেদিকে হবে।

কাগজতলের লম্ব বরাবর দুটি দিক আছে। কাগজতলের বাইরের দিকে বুঝানোর জন্য ডট চিহ্ন (.) ব্যবহার করা হয় এবং ভেতরের দিক প্রকাশের জন্য ক্রস চিহ্ন (x) ব্যবহার করা হয় । কাগজতলের বাইরের দিকে অর্থাৎ পর্যবেক্ষকের (observer) দিকে তড়িৎ প্রবাহের জন্য ঘড়ির কাঁটার বিপরীত দিকে চৌম্বক বলরেখা বা চৌম্বকক্ষেত্র সৃষ্টি হয় [চিত্র: ৩.৭(ক)]। আর কাগজতলের ভিতরের দিকে অর্থাৎ পর্ববেক্ষক (observer) থেকে বিপরীত দিকে তড়িৎ প্রবাহের জন্য ঘড়ির কাঁটার দিকে চৌম্বক বলরেখা বা চৌম্বক ক্ষেত্র সৃষ্টি হয়।

সার-সংক্ষেপ :
চৌম্বকক্ষেত্রঃ
কোনো তড়িৎবাহী তারের চতুর্দিকে যে অঞ্চল জুড়ে একটি চৌম্বক শলাকা বিক্ষেপ দেখায় তাকে ঐ তড়িৎবাহী তারের চৌম্বক ক্ষেত্র বলে।
চৌম্বক ক্ষেত্রের মান
একটি একক চার্জ একক বেগে চৌম্বকক্ষেত্রের সাথে সমকোণে গতিশীল হলে যে বল লাভ করে তাই চৌম্বক ক্ষেত্রের মান ।
চৌম্বক ক্ষেত্রের দিক :
একটি চুম্বক শলাকাকে চৌম্বক ক্ষেত্রের মধ্যে স্থাপন করলে তার উত্তর মের— যে দিক নির্দেশ করে তাই চৌম্বক ক্ষেত্রের দিক।
বহুনির্বাচনি প্রশ্ন
সঠিক উত্তরের পাশে টিক (√) চিহ্ন দিন।
১. তড়িৎ প্রবাহের চৌম্বক ক্রিয়া আবিষ্কার করেন, ক. ফ্লেমিং
খ. ম্যাক্সওয়েল
গ. ওয়েরস্টেড
ঘ. ফ্যারাডে
২. চৌম্বকক্ষেত্রের একক,
ক. watt
খ. tesla
গ. weber
ঘ. A-m
