আজকে আমরা ইলেকট্রনিক্স এর জাংশন ট্রানজিস্টর সম্পর্কে আলোচনা করবো। যা বাউবি এইচএসসি ২৮৭১ পদার্থ বিজ্ঞান ২য় পত্র ইউনিট ১০ ইলেকট্রনিক্স এর অন্তর্ভুক্ত।

ইলেকট্রনিক্স এর জাংশন ট্রানজিস্টর
ট্রানজিস্টর
ট্রানজিস্টর (Transistor) হচ্ছে একটি ইংরেজি শব্দ। Transfer এবং Resistor এই দুটি পৃথক ইংরেজি শব্দের সমন্বয়ে Transistor শব্দটি গঠিত হয়েছে। ট্রানজিস্টরকে বিংশ শতাব্দীর শ্রেষ্ঠ আবিষ্কার বলা যায়। ট্রানজিস্টরের আবিষ্কার ইলেকট্রনিক্স এর জগতে বিপণ্ডব সংঘটিত করেছে। ১৯৪৮ সালে যুক্তরাষ্ট্রের বেল টেলিফোন ল্যাবরেটরির তিনজন গবেষক জে. বার্ডিন ( J. Bardeen ), ডবিউ ব্রাটেন (W. Brattain) ও ডবিউ সকলে ( W. Shockley) ট্রানজিস্টর আবিষ্কার করেন। এই গুরত্বপূর্ণ আবিষ্কারের জন্য তিনজনকে ১৯৫৬ সালে পদার্থবিজ্ঞানে নোবেল পুরস্কার প্রদান করা হয়। ট্রানজিস্টর দুর্বল তড়িৎ সংকেতকে বিবর্ধন করতে পারে এবং উচ্চগতিসম্পন্ন সুইচ হিসেবে ব্যবহার করা যায়।
সংজ্ঞা :
দুটি একই ধরনের অর্ধপরিবাহীর (-টাইপ অথবা pp-টাইপ) মাঝখানে এদের বিপরীত ধরনের (p-টাইপ অথবা n- টাইপ) অর্ধপরিবাহী বিশেষ প্রক্রিয়ায় পরস্পরের সাথে যুক্ত করে যে যন্ত্র বা কৌশল (Device) তৈরি করা হয় তাকে ট্রানজিস্টর বলে।
সুতরাং একটি জাংশন ট্রানজিস্টর দুটি p-n জাংশনের সমন্বয়ে গঠিত এবং এর তিনটি প্রাড় রয়েছে।
গঠন ও প্রকৃতি অনুসারে জাংশন ট্রানজিস্টর দুই প্রকারঃ
(১) p-n-p ট্রানজিস্টর এবং
(২) n-p-n ট্রানজিস্টর।
p-n-p ও n-p-n ট্রানজিস্টরের গঠন
Construction of p-n-p and n-p-n transistor
একটি p-টাইপ অর্ধপরিবাহীর পাতলা জ্বরের দুপাশে -টাইপ অর্ধপরিবাহীর প্রশড় যুক্ত করে n-p-n তৈরি করা হয় [চিত্র : (ক)]।
আবার একটি -টাইপ অর্ধপরিবাহীর পাতলা রের দুপাশে p-টাইপ অর্ধপরিবাহীর প্রশড় র যুক্ত করে p-n-p ট্রানজিস্টর তৈরি করা হয় [চিত্র (খ)]।

একটি ট্রানজিস্টরের তিনটি সেকশন বা অংশ রয়েছে। এই তিনটি খন্ড থেকে তিনটি টার্মিনাল বের করা হয়। ট্রানজিস্টরের এক প্রাড়ে অবস্থিত খন্ডকে এমিটার বা নিঃসারক এর বিপরীত পাশে অবস্থিত খন্ডকে কালেক্টর বা সংগ্রাহক এবং মাঝখানে অবস্থিত খন্ডটিকে বেস বা ভূমি বলে। বেস বা ভূমি দু’পাশে অবস্থিত এমিটার এবং কালেক্টর এর সাথে দুটি p-n জাংশন গঠন করে।
এমিটার বা নিঃসরক (Emitter) :
ট্রানজিস্টরের এক পাশের অংশ যা আধান বাহক (হোল বা ইলেকট্রন) সরবরাহ করে তাকে এমিটার বা নিঃসরক বলে। নিঃসরককে ভূমি সাপেক্ষে সর্বদা সম্মুখী ঝোঁক প্রয়োগ করা হয়। ফলে নিঃসরক বেশি পরিমাণে সংখ্যা গরিষ্ঠ আধান বাহক সরবরাহ করে।
কালেক্টর বা সংগ্রাহক (Collector) :
ট্রানজিস্টরের অন্য পাশের অংশ যা আধান সংগ্রহ করে তাকে কালেক্টর বা সংগ্রাহক বলে । সংগ্রাহককে সর্বদা বিমুখী ঝোঁক প্রয়োগ করা হয়।
বেস বা ভূমি (Base) :
ট্রানজিস্টরের এমিটার ও কালেক্টরের মাঝের অংশটিকে বেস বা ভূমি বলে। এটি এমিটার ও কালেক্টর এর সাথে দুটি p-n জাংশন গঠন করে। বেস খুবই পাতলা এবং এটিকে অল্প পরিমাণে ডোপিং করা হয়।ট্রানজিস্টরের এমিটার এবং কালেক্টর উভয়কেই বেস অপেক্ষা বেশি ডোপিং করা হয় এবং উভয়েরই পুর“ত্ব বেশি হয়।
ট্রানজিস্টরের ভূমি-নিঃসারক জাংশনে সম্মুখী বায়াস প্রদান করা হয়, যাতে করে নিঃসারক বর্তনীর রোধ অনেক কম হয়। অন্যদিকে, ভূমি সংগ্রাহক জাংশনে বিমুখী বায়াস প্রদান করা হয়, এর ফলে সংগ্রাহক বর্তনীর রোধ অনেক বৃদ্ধি পায়। ১০.১৭ চিত্রে ইলেকট্রনিক বর্তনীতে ব্যবহৃত ট্রানজিস্টরের প্রতীক দেখানো হয়েছে।
জাংশন ট্রানজিস্টরের বায়াসিং ও কার্যপদ্ধতি বা কার্যক্রম
Biasing of Junction Transistor and Working Procedure
p-n-p ট্রানজিস্টরের কার্যপদ্ধতি
একটি ট্রানজিস্টরের দুটি জাংশন রয়েছে। ট্রানজিস্টরের দুটি জাংশনকে দুভাবে সংযোগ প্রদান করা হয়। (১০.১৮) চিত্রে p-n-p ট্রানজিস্টরের ক্ষেত্রে বায়াসিং কার্যক্রম দেখানো হয়েছে। এখানে এমিটার- বেস জাংশনে সম্মুখী বায়াস এবং কালেক্টর-বেস জাংশনে বিমুখী বায়াস প্রয়োগ করা হয়েছে। এমিটার-বেস জাংশন সম্মুখী ঝোঁকে থাকায় p-অঞ্চলের বা এমিটার এর হোলগুলো ব্যাপন ক্রিয়ার মাধ্যমে বেসের দিকে প্রবাহিত হয় এবং এমিটার প্রবাহ IE সৃষ্টি করে। হোলগুলো যখন n-টাইপ ভূমি বা বেস অতিক্রম করে তখন এগুলো ইলেকট্রনের সাথে মিলিত হতে চায়। কিন্তু বেসের পুর“ত্ব কম হওয়ায় এবং হালকাভাবে ডোপিং এর ফলে খুব সামান্য পরিমাণ হোল (5% এর কম) ইলেকট্রনের সাথে মিলিত হয় এবং খুব সামান্য বেস প্রবাহ IB সৃষ্টি হয়।

বাকী প্রায় 95% হোল বেস ভেদ করে ঋণাত্মক কালেক্টর ভোল্টেজের আকর্ষণে কালেক্টরে গিয়ে পৌছায় এবং কালেক্টর প্রবাহ Ic তৈরি করে । এভাবে প্রায় সম্পূর্ণ এমিটার প্রবাহ কালেক্টর বর্তনীতে প্রবাহিত হয়। সুতরাং কালেক্টর বর্তনীর প্রবাহ এমিটার প্রবাহের উপর নির্ভর করে। প্রায় 5% হোল ভূমিতে ইলেকট্রনের সাথে মিলিত হওয়ায় সামান্য পরিমাণ বেস প্রবাহ সৃষ্টি হয়। ফলে কালেক্টর প্রবাহ এমিটার প্রবাহ অপেক্ষা সামান্য কম হয়।
এমিটার প্রবাহ বৃদ্ধি পেলে অধিক পরিমান হোল বেসে প্রবেশ করে যা কালেক্টরের ঋণাত্মক ভোল্টেজ দ্বারা আকর্ষিত হয়, ফলে কালেক্টর প্রবাহ বৃদ্ধি পায়। এভাবে এমিটার প্রবাহ দ্বারা কালেক্টর প্রবাহ নিয়ন্ত্রণ করা যায়। গুর“ত্বপূর্ণ বিষয় এই যে, p-n-p ট্রানজিস্টরের ভেতরে তড়িৎ প্রবাহ হয় হোল এর প্রবাহের জন্য। কিন্তু বাহ্যিক সংযোগ তারের মধ্য দিয়ে তড়িৎ প্রবাহ সৃষ্টি হয় ইলেকট্রনের প্রবাহের জন্য।
n-p-n ট্রানজিস্টরের কার্যক্রম :
n-p-n ট্রানজিস্টরকে কার্যকর করার জন্য এর দুটি জাংশনকে দু’ভাবে বায়াস করা হয়। চিত্রে ট্রানজিস্টরের এমিটার বেস জাংশনে সম্মুখী বায়াস এবং কালেক্টর বেস জাংশনে বিমুখী বায়াস প্রয়োগ করা হয়েছে।
এমিটার বেস জাংশনে সম্মুখী ঝোঁকে থাকায় এমিটার হতে প্রচুর মুক্ত ইলেকট্রন ব্যাপন ক্রিয়ার মাধ্যমে জাংশন ভেদ করে বেসের দিকে প্রবাহিত হয়। ফলে এমিটার প্রবাহ I তৈরি করে। ইলেকট্রনগুলো যখন p টাইপ বেসে প্রবেশ করে, তখন এগুলো সেখানকার হোলের সাথে মিলিত হতে চায়। কিন্তু বেস খুব পাতলা হওয়ার কারণে এবং হালকাভাবে ডোপিং এর ফলে খুব সামান্য পরিমাণ (5% এর কম) ইলেকট্রন হোলের সাথে মিলিত হয়।

এরূপ মিলনের ফলে খুব সামান্য বেস প্রবাহ Ig সৃষ্টি হয়। বাকী প্রায় 95% ইলেকট্রন বেস অঞ্চল ভেদ করে ধনাত্মক কালেক্টর ভোল্টেজের আকর্ষণে কালেক্টর অঞ্চলে প্রবেশ করে এবং কালেক্টর প্রবাহ Ic সৃষ্টি করে। এভাবে প্রায় সম্পূর্ণ এমিটার প্রবাহ কালেক্টর বর্তনীতে প্রবাহিত হয়। কালেক্টর জাংশনে আগত ইলেকট্রন কালেক্টর প্রাড়ে প্রযুক্ত ধনাত্মক বিভবেব আকর্ষণে কালেক্টর প্রবাহ বৃদ্ধি করে। প্রায় 5% ইলেকট্রন বেসে হোলের সাথে মিলিত হওয়ায় ফলে সামান্য পরিমান বেস প্রবাহ সৃষ্টি হয়।
যার প্রেক্ষিতে কালেক্টর প্রবাহ এমিটার প্রবাহ অপেক্ষা সামান্য কম হয়। এমিটার প্রবাহ বৃদ্ধি পেলে অধিক পরিমাণ ইলেকট্রন বেসে প্রবেশ করে, যা কালেক্টরের ধনাত্মক বিভব দ্বারা আকর্ষিত হয়। ফলে কালেক্টর প্রবাহ বৃদ্ধি পায়। এ প্রক্রিয়ার এমিটার প্রবাহ দ্বারা কালেক্টর প্রবাহ নিয়ন্ত্রণ করা যায়। n-p-n ট্রানজিস্টরের ভেতরে তড়িৎপ্রবাহ হয় ইলেকট্রনের প্রবাহের জন্য এবং বর্তনীর সংযোগ তারের মধ্যেও তড়িৎ প্রবাহ ইলেকট্রনের জন্য হয়ে থাকে।
ট্রানজিস্টরে বিভিন্ন প্রবাহের মধ্যে সম্পর্ক
ধরা যাক,
এমিটার প্রবাহ = IE
বেস প্রবাহ = IB
ও কালেক্টর প্রবাহ = IC
কার্শফের সূত্র অনুসারে, এদের মধ্যে সম্পর্ক হলো,
lE = IB + Ic ……………..(1)
অর্থাৎ কালেক্টর প্রবাহ সর্বদা এমিটার প্রবাহ অপেক্ষা কম হয়।
সমীকরণ (১) থেকে পাই,
∆IE = ∆IB + ∆Ic ……………..(2)
এখানে ∆IE, ∆IB ও ∆Ic যথাক্রমে এমিটার প্রবাহ, বেস প্রবাহ ও কালেক্টর প্রবাহের পরিবর্তন নির্দেশ করে ।
ট্রানজিস্টরের মৌলিক সার্কিট (Three Basic Circuits) :
তিনটি উপায়ে ট্রানজিস্টরকে বর্তনীতে সংযোগ দেয়া যায় এগুলো হলো :
১। কমন বেস কনফিগারেশন (Common Base Configuration)।
২। কমন এমিটার কনফিগারেশন (Common Emitter Configuration)।
৩। কমন কালেক্টর কনফিগারেশন (Common Collector Configuration)।
১। কমন বেস কনফিগারেশন :
p-n-p বা n-p-n ট্রানজিস্টরের এমিটার ও বেসের মধ্যে ইনপুট সিগনাল প্রয়োগ করে কালেক্টর বেস সার্কিট থেকে আউটপুট সংকেত পরিমাপ করা হয়। এক্ষেত্রে ইনপুট এবং আউটপুট উভয় ক্ষেত্রে বেস কমন বা সাধারণ ভূমিকা পালন করে ।

২। কমন এমিটার কনফিগারেশন :
p-n-p বা n-p-n ট্রানজিস্টরের বেস ও এমিটারের মধ্যে ইনপুট সিগনাল প্রয়োগ করে কালেক্টর এমিটার সার্কিট থেকে আউটপুট সংকেত পরিমাপ করা হয়। এক্ষেত্রে ইনপুট এবং আউটপুট উভয় ক্ষেত্রে এমিটার কমন বা সাধারণ ভূমিকা পালন করে।

কমন কালেক্টর কনফিগারেশন
p-n-p বা n-p-n ট্রানজিস্টরের বেস ও কালেক্টরের মধ্যে ইনপুট সিগনাল প্রয়োগ করে কালেক্টর এমিটার সার্কিট থেকে আউটপুট সংকেত পরিমাপ করা হয়। এক্ষেত্রে ইনপুট এবং আউটপুট উভয় ক্ষেত্রে কালেক্টর কমন বা সাধারণ ভূমিকা পালন করে ।

অ্যাম্পলিফায়ার বা বিবর্ধক হিসেবে ট্রানজিস্টর
Transistor as an Amplifier
যে যন্ত্র তার ইনপুটে (Input) প্রদত্ত সংকেতকে আউটপুটে (Output) বিবর্ধিত করে তাকে অ্যাম্পলিফায়ার বা বিবর্ধক বলে।
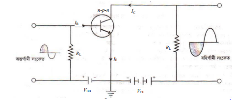
ইলেকট্রনিক এম্পলিফায়ার দুর্বল অগামী (Input) সংকেতকে বৃহৎ বহির্গামী (Output) সংকেতে পরিণত করে । ট্রানজিস্টর বিবর্ধক হিসেবে ব্যবহৃত হয়। (১০.২৩) চিত্রে একটি সাধারণ এমিটার বিবর্ধকের বর্তনী দেখানো হয়েছে। ইনপুট সার্কিটে বেস ও এমিটারের মধ্যে একটি ডিসি ভোল্টেজ (VBB) প্রয়োগ করা হয় যাতে এমিটার-বেস জাংশন সর্বদা সম্মুখী বায়াসে থাকে। সুতরাং ইনপুট এসি সিগনালের নেগেটিভ অর্ধচক্রের সময়ও জাংশন সন্মুখ বায়াসে থাকে। আউটপুট বর্তনীতে Vac ব্যাটারির সাহায্যে কালেক্টর ও এমিটারের মধ্যে বিমুখী বায়াস প্রদান করা হয় ।
সম্মুখী ঝোঁক থাকার ফলে ইনপুট সার্কিটে রোধ খুব কম হয়। বিমুখী ঝোঁকের কারণে আউটপুট সার্কিটের রোধ অনেক বেশি। আউটপুট বর্তনীতে একটি উচ্চ রোধ R, সংযুক্ত করা হয়। এমিটার-বেস জাংশনে একটি দুর্বল সংকেত প্রদান করা হয় এবং কালেক্টর বর্তনীতে সংযুক্ত লোড রোধ R থেকে আউটপুট সংকেত গ্রহণ করা হয়।

ইনপুট ও আউটপুটে অনুকূল ডিসি বায়াস থাকার ফলে, এমিটার, বেস ও কালেক্টর ডিসি প্রবাহ শুর— হয়। ইনপুটে প্রদত্ত এসি সংকেতের ধনাত্মক অর্ধচক্রের জন্য এমিটার-বেস জাংশনের সন্মুখ বায়াস বৃদ্ধি পায়। ফলে অধিক পরিমান ইলেকট্রন এমিটার থেকে বেসের মধ্য দিয়ে কালেক্টরে প্রবাহিত হয় এবং কালেক্টর প্রবাহ Ic বৃদ্ধি পায়। এই বর্ধিত কালেক্টর প্রবাহ, কালেক্টর লোড রোধ RL এর দুই প্রাড়ে বর্ধিত বিভব পার্থক্য বা বিভব পতন সৃষ্টি করে।
অর্থাৎ আউটপুটে অধিক ভোল্টেজ পাওয়া যায়। আবার এসি সংকেতের ঋণাত্মক অর্ধচক্রের জন্য এমিটার বেস জাংশনের সম্মুখী ঝোঁক কমে যায়। ফলে কালেক্টর প্রবাহও কমে যায়। কালেক্টর প্রবাহ কমে যাওয়ায় বর্তনীর আউটপুট ভোল্টেজ কম হয় তবে তা ইনপুট সিগনাল থেকে বেশি হয়। ফলে ইনপুট সংকেতের একটি বর্ধিত (Amplified) রূপ আউটপুট বর্তনী বা লোড রোধের বিপরীতে পাওয়া যায়। এভাবে ট্রানজিস্টর কোনো দুর্বল সংকেতকে বিবর্ধিত করে।
দশা পরিবর্তন (Phase reversal) :
সাধারণ এমিটার বর্তনীতে, যখন এসি ইনপুট ভোল্টেজ ধনাত্মক দিকে বাড়তে থাকে, তখন এসি আউটপুট ভোল্টেজ ঋণাত্মক দিকে বৃদ্ধি পেতে থাকে। আবার এসি ইনপুট ভোল্টেজ যখন ঋণাত্মক দিকে বাড়তে থাকে, তখন এসি আউটপুট ভোল্টেজ ধনাত্মক দিকে বৃদ্ধি পেতে থাকে। অর্থাৎ সাধারণ এমিটার ব্যবস্থায়, ইনপুট ও আউটপুট ভোল্টেজের মধ্যে সর্বদা 180° দশা পার্থক্য বজায় থাকে।
ট্রানজিস্টর অ্যামপিণ্টফায়ার এর ব্যবহার :
১। ইন্টারকমে ব্যবহার করা হয়।
২। রেডিওতে ব্যবহার করা হয়।
৩। মাইকে ব্যবহার করা হয়।
৪। অ্যালার্ম বর্তনীতে ব্যবহার করা হয়।
প্রবাহ বিবর্ধক গুণক (Current Amplication Factor)
কমন বেস কনফিগারেশন :
এ ক্ষেত্রে ইনপুট কারেন্ট হচ্ছে এমিটার কারেন্ট IE, আউটপুট কারেন্ট হচ্ছে কালেক্টর কারেন্ট Ic। ধরা যাক, এমিটার কারেন্টের AIE পরিবর্তনের জন্য কালেক্টর কারেন্টের পরিবর্তন Alc হয়। কালেক্টর ও বেসের মধ্যে স্থির ভোল্টেজ = VCB
VCB ধ্র“ব থাকা অবস্থায় ∆Ic ও ∆IE এর অনুপাতকে প্রবাহ বিবর্ধক গুণক বলে। একে α দ্বারা প্রকাশ করা হয়।
α = ∆Ic/ΔΙΕ [এখন VCB = ধ্রুবক] …………………(3)
ডিসি (D.C.) কারেন্টের ক্ষেত্রে,
α = Ic/IE [VCB = ধ্রুবক ] …………………(4)
α – এর মান 1 এর চেয়ে কম হয়। সাধারণ ট্রানজিস্টরের ক্ষেত্রে α এর মান 0.97 থেকে 0.99 হয়।
প্রবাহ লাভ (Current gain )
কমন এমিটার কনফিগারেশন : এ ক্ষেত্রে ইনপুট কারেন্ট হচ্ছে বেস কারেন্ট IB, আউটপুট কারেন্ট হচ্ছে কালেক্টর কারেন্ট Ic । ধরা যাক, বেস কারেন্টের AIB পরিবর্তনের জন্য কালেক্টর কারেন্টের Alc পরিবর্তন হয়। কালেক্টর ও এমিটারের মধ্যে ভোল্টেজ = VCE
VCE ধ্র“ব থাকা অবস্থায় Alc ও AIB এর অনুপাতকে প্রবাহ লাভ বলে। একে B দ্বারা প্রকাশ করা হয়।
B = ΔΙc/ΔΙΒ [যখন VCE = ধ্রুবক] …………………(5)
ডিসি (D.C.) কারেন্টের ক্ষেত্রে,
B = Ιc/ΙΒ [VCE = ধ্রুবক] …………………(6)
সাধারণ ট্রানজিস্টরের ক্ষেত্রে B এর মান 20 থেকে 500 হয়।
B ও α এর মধ্যে সম্পর্ক :
ট্রানজিস্টরের কমন বেস কনফিগারেশন থেকে পাওয়া যায় প্রবাহ বিবর্ধন গুণক,
α = ΔΙc/ΔΙΒ …………………(7)
ট্রানজিস্টরের কমন এমিটার কনফিগারেশন থেকে পাওয়া যায় প্রবাহ লাভ,
B = ΔΙc/ΔΙΒ …………………(8)
আবার, IE = IB + Ic
অতএব ΔΙE = ΔΙB + ΔΙc
বা, ΔΙB = ΔΙE – ΔΙc
সমীকরণ 8 এ ΔΙB এর মান বসিয়ে পাই,
B = ΔΙc /(ΔΙΕ – ΔΙB)
বা, B = (ΔΙc/ΔΙΕ) /{(ΔΙΕ/ΔΙΕ) – (ΔΙB/ΔΙΕ)}
বা, B = α/(1 – α) …………………(9) [ যেহেতু α = ΔΙc/ ΔΙE ]
সমীকরণ (9) থেকে পাই
B (1-α) = α
বা, B – Bα = α
বা, B = α + B α
বা, B = α(1 + B)
α = 1+B …………………(10)
সমীকরণ (9) ও (10) α ও B এর মধ্যে পারস্পরিক সম্পর্ক নির্দেশ করে ।

গাণিতিক উদাহরণ-১ :
একটি কমন বেস ট্রানজিস্টর বিন্যাসে 3.5 mA এমিটার কারেন্ট পরিবর্তনে 2.5 mA কালেক্টর কারেন্টের পরিবর্তন ঘটলে প্রবাহ বিবর্ধন গুণক α এর মান নির্ণয় কর ।
এখানে
এমিটার কারেন্টের পরিবর্তন, ΔΙE = 3.5 mA = 3.5×103 A
কালেক্টর কারেন্টের পরিবর্তন, ΔΙC = 2.5 mA = 2.5×103 A
প্রবাহ বিবর্ধন গুণক, α = ?
আমরা জানি, α = ΔΙC/ΔΙΕ
বা, α = 2.5×10-3/3.5×10-3
α = 0.714
প্রবাহ বিবর্ধন গুণক, a = 0.714
উ : 0.714
গাণিতিক উদাহরণ ২ :
একটি কমন এমিটার ট্রানজিস্টর বিন্যাসে প্রবাহ বিবর্ধন গুণক B = 40 এবং এমিটার প্রবাহ 1 mA হলে ভূমি প্রবাহ নির্ণয় কর।
এখানে
B = 40
এমিটার প্রবাহ IE = 1 mA = 1×103A
ভূমি প্রবাহ, I =?
আমরা জানি,
B = Ic /IB
বা, Ic = BIB
আবার, IE = IB + Ic
IE = IB + BIB
বা, IE = IB (1+ B)
IB = IE /(1×IB) = (1 × 10-3)/(40+1) = 2.4×10-5 A
ভূমি প্রবাহ, IB = 24 × 10-5 A
উ: 24 ×10-5 A
সার-সংক্ষেপ :
ট্রানজিস্টর ঃ
দুটি একই ধরনের অর্ধপরিবাহীর (-টাইপ অথবা p-টাইপ) মাঝখানে এদের বিপরীত ধরনের (p-টাইপ অথবা n-টাইপ) অর্ধপরিবাহী বিশেষ প্রক্রিয়ায় পরস্পরের সাথে যুক্ত করে যে যন্ত্র বা কৌশল (Device) তৈরি করা হয় তাকে ট্রানজিস্টর বলে ।
এমিটার বা নিঃসরক ঃ
ট্রানজিস্টরের এক পাশের অংশ যা আধান বাহক (হোল বা ইলেকট্রন) সরবরাহ করে তাকে এমিটার বা নিঃসারক বলে।
কালেক্টর বা সংগ্রাহক ঃ
ট্রানজিস্টরের অন্য পাশের অংশ যা আধান সংগ্রহ করে তাকে কালেক্টর বা সংগ্রাহক বলে ।
বেস বা ভূমি :
ট্রানজিস্টরের এমিটার ও কালেক্টরের মাঝের অংশটিকে বেস বা ভূমি বলে ।
অ্যাম্পলিফায়ার বা বিবর্ধক :
যে যন্ত্র তার ইনপুটে (Input) প্রদত্ত সংকেতকে আউটপুটে (Output) বিবর্ধিত করে তাকে অ্যাম্পলিফায়ার বা বিবর্ধক বলে।
প্রবাহ বিবর্ধক গুণক:
Vcs ধ্র“ব থাকা অবস্থায় Alc ও Alg এর অনুপাতকে প্রবাহ বিবর্ধক গুণক বলে।
প্রবাহ লাভ :
VCE ধ্রব থাকা অবস্থায় Alc ও Alg এর অনুপাতকে প্রবাহ লাভ বলে।
বহুনির্বাচনী প্রশ্ন :
সঠিক উত্তরের পাশে টিক (√) চিহ্ন দিন
১। ট্রানজিস্টরের মাঝখানের অর্ধপরিবাহীকে কী বলে?
(ক) বেস বা পীঠ
(খ) নিঃসরক
(গ) সংগ্ৰাহক
(ঘ) দাতা
২। কোন ট্রানজিস্টর সাধারণ পীঠ সংযোগে রয়েছে এর পীঠ প্রবাহ 0.05 mA এবং সংগ্রাহক প্রবাহ 0.95 mA হলে, ট্রানজিস্টরের নিঃসরক প্রবাহ কত?
(ক) 0.85mA
(খ) 0.90mA
(গ) 1.0mA
(ঘ) 1.5 mA
