আজকে আমরা একমুখীকরণ : পূর্ণ তরঙ্গ ব্রিজ রেকটিফায়ার সম্পর্কে আলোচনা করবো। যা বাউবি এইচএসসি ২৮৭১ পদার্থ বিজ্ঞান ২য় পত্র ইউনিট ১০ ইলেকট্রনিক্স এর অন্তর্ভুক্ত।

একমুখীকরণ : পূর্ণ তরঙ্গ ব্রিজ রেকটিফায়ার
একমুখীকরণ
Rectification
তড়িৎশক্তি সাধারণত এসি (AC) সরবরাহ হিসেবে উৎপাদন ও বিতরণ করা হয়। বিদ্যুৎ কেন্দ্র কর্তৃক সরবরাহকৃত ভোল্টেজ সাইন তরঙ্গ আকারে পরিবর্তিত হয়। আমাদের দেশে সরবরাহকৃত পরিবর্তী ভোল্টেজের কম্পাংক 50 Hz। পরিবর্তী এই ভোল্টেজ ব্যবহার করা হয় আলোকশক্তি, তাপশক্তি উৎপাদনে এবং তড়িৎ মোটর ইত্যাদিতে। কিন্তু আমাদের দৈনন্দিন কাজে ডিসি (DC) সরবরাহের অসংখ্য প্রয়োগ রয়েছে। বিশেষ করে ইলেকট্রনিক যন্ত্রপাতি বা বর্তনী পরিচালনার জন্য নিরবচ্ছিন্ন একমুখী প্রবাহ বা ডিসি প্রবাহ (Direct Current) প্রয়োজন হয়।
ব্যাটারি বা শুষ্ক কোষ হলো ডিসি প্রবাহের প্রধান উৎস। কিন্তু এদের ভোল্টেজ বেশ কম এবং এগুলো প্রায়ই পরিবর্তন করতে হয় বলে বেশ ব্যয়বহুল। অর্থাৎ ব্যাটারি দ্বারা আমাদের সব প্রয়োজন মিটানো সম্বব নয়। তাই আমাদের প্রয়োজন, বৈদ্যুতিক সরবরাহ লাইনের দিক পরিবর্তী তথা এসি ভোল্টেজকে একমুখী তথা ডিসি ভোল্টেজ রূপান্ত্রিত করা। যে প্রক্রিয়ায় এই রূপান্ডুরের কাজটি সম্পন্ন করা হয় তাকে বলে রেকটিফিকেশন বা একমুখীকরণ।
যে প্রক্রিয়ায় পরিবর্তী প্রবাহ (Alternating current) বা ভোল্টেজকে একমুখী প্রবাহ (Direct current- ডিসি) বা ভোল্টেজে রূপান্ডু করা হয় তাকে রেকটিফিকেশন বা একমুখীকরণ বলে। একমুখীকরণের কাজটি যে যন্ত্র দ্বারা সম্পন্ন করা হয় তাকে রেফটিফায়ার বলে।
জাংশন ডায়োডের আলোচনা থেকে আমরা জেনেছি যে, ডায়োড যখন সম্মুখী ঝোঁকে থাকে তখন এর মধ্য দিয়ে তড়িৎ প্রবাহিত হয় এবং যখন এটি বিমুখী ঝোঁকে থাকে তখন এর মধ্য দিয়ে তড়িৎ প্রবাহিত হয় না। জাংশন ডায়োডের এ বিশেষ ধর্মকে কাজে লাগিয়ে রেকটিফিকেশন বা একমুখীকরণের কাজটি সম্পন্ন করা হয়।
একমুখীকরণে দুই ধরনের রেফটিফায়ার বর্তনী ব্যবহার করা হয়। যথা ঃ
(১) অর্ধতরঙ্গ রেকটিফায়ার।
(২) পূর্নতরঙ্গ রেকটিফায়ায়।
অর্ধতরঙ্গ রেকটিফায়ার Half Wave Rectifier
মূলনীতি :
একটি p-n জাংশন যখন সম্মুখী ঝোঁক প্রাপ্ত হয় তখন এর রোধ খুব কম হয়, আবার p-n জাংশন যখন বিমুখী ঝোঁক প্রাপ্ত হয় তখন এর রোধ খুব বেশি হয়। এ নীতির উপর ভিত্তি করে একটি অর্ধতরঙ্গ রেকটিফায়ার কাজ করে।

(ক) চিত্রে একটি p-1 জাংশন কীভাবে অর্ধতরঙ্গ রেফটিফায়ার হিসেবে কাজ করে তার বর্তনী দেখানো হয়েছে। যে এসি ভোল্টেজকে আমরা রেকটিফাই করতে চাই সেটি ডায়োড এবং লোড রেজিস্ট্যান্স RLএর সাথে শ্রেণিতে প্রয়োগ করা হয়েছে। সাধারণত বর্তনীতে এসি ভোল্টেজকে ট্রান্সফরমার দ্বারা সরবরাহ করা হয়। লোড রেজিষ্ট্যান্স RL এর দুইপ্রাল্ড থেকে আউটপুট বা বহির্গামী ভোল্টেজ নেয়া হয়। আমরা জানি, ইনপুট বা অনুগামী ভোল্টেজ এর একটি পুর্ণ চক্রে দুটি অর্ধচক্র থাকে।
একটি ধনাত্মক অর্ধচক্র এবং একটি ঋণাত্মক অর্ধচক্র [চিত্র (খ) ]। ফলে উৎস ভোল্টেজ বা ইনপুট ভোল্টেজের প্রতি চক্রের (Cycle) এক অর্ধচক্রে p-n জাংশনটি সম্মুখী ঝোঁকে এবং অপর অর্ধচক্রে বিমুখী ঝোঁকে থাকবে। ইনপুট এসি ভোল্টেজের ধনাত্মক অর্ধচক্রের জন্য, গৌণকুন্ডলীর A প্রাB প্রাড়ের তুলনায় ধনাত্মক ভোল্টেজে থাকে [চিত্র (ক) ]। ফলে p- জাংশনটি সম্মুখী বায়াস বা ঝোঁকে থাকে। যার ফলে বর্তনীতে সংযুক্ত লোড রেজিষ্ট্যান্স R। এর মধ্য দিয়ে তড়িৎ প্রবাহিত হয়। আবার ঋণাত্মক অর্ধচক্রের জন্য, গৌণকুন্ডলীর A প্রার্ল্ড B প্রাল্ডের তুলনায় ঋণাত্মক ভোল্টেজে থাকে।
ফলে p-n জাংশনটি বিমুখী ঝোঁক বা বায়াসে থাকে। যার প্রেক্ষিতে লোড রেজিষ্ট্যান্স RL এর মধ্য দিয়ে কোনো তড়িৎ প্রবাহিত হয় না এবং RL এর দুই প্রাড়ে কোনো বিভব পার্থক্য পাওয়া যায় না। অর্থাৎ আউটপুট ভোল্টেজ শূন্য হয়। এই প্রক্রিয়া বার বার চলতে থাকে। সুতরাং ইনপুট ভোল্টেজের শুধু ধনাত্মক অর্ধচক্রগুলোর জন্য ডায়োডের মধ্য দিয়ে তড়িৎ প্রবাহিত হয়। অপরদিকে ঋণাত্মক অর্ধচক্রগুলোতে ডায়োডের মধ্যে দিয়ে তড়িৎ প্রবাহ বন্ধ থাকে।
সুতরাং দেখা যাচ্ছে রোধের ভিতর দিয়ে একটি বিরতিযুক্ত কিন্তু সর্বদা একমুখী প্রবাহ পাওয়া যাচ্ছে। রোধের দুই প্রাড়ে প্রাপ্ত ডিসি আউটপুট ভোল্টেজ ১০.১৪ (খ) চিত্রে দেখানো হয়েছে। লেখচিত্র হতে দেখা যায় যে, এসি সরবরাহের একটি পূর্ণ চক্রের উপর অর্ধের (Upper half cycle) জন্য RL রোধের মধ্য দিয়ে প্রবাহ পাওয়া গেলেও নিম্ন অর্ধেক (Lower half cycle) এর জন্য কোনো প্রবাহ পাওয়া যায় না। পূর্ণ চক্রের এক অর্ধের জন্য প্রবাহ পাওয়া যায় বলে এবং এই প্রবাহের দিক একই থাকে বলে অর্ধ তরঙ্গ রেকটিফায়ার বলে।
পূর্ণ তরঙ্গ রেকটিফায়ার Full Wave Rectifier
পূর্ণ তরঙ্গ একমুখীকরণে ইনপুট এসি(ac) ভোল্টেজের উভয় অর্ধচক্রে লোডের মধ্য দিয়ে একই দিয়ে তড়িৎ প্রবাহিত হয়। অর্থাৎ এক্ষেত্রে ইনপুট ভোল্টেজের দুটি চক্রই কাজে লাগানো হয় । এজন্য বর্তনীতে দুটি p-n জাংশন ডায়োড সমাালে ব্যবহার করা হয় (ক) চিত্রে একটি পূর্ণতরঙ্গ রেকটিফায়ার বর্তনী দেখানো হয়েছে। এখানে D, ও D2 ডায়োড দুটিকে একটি সেন্টার টেপ টান্সফর্মারের গৌণ কুন্ডলী AB এর সাথে সংযোগ দেয়া হয়েছে যাতে করে প্রত্যেকটি ডায়োড ইনপুট এসি ভোল্টেজের একটি অর্ধচক্র কাজে লাগায় ।
অর্থাৎ গৌণ কুন্ডলীর উপরের অর্ধাংশে (OA অংশে) আগত এসি ইনপুট ভোল্টেজকে ডায়োড D; রেকটিফাই করে এবং ডায়োড D2 গৌণকুন্ডলীর OB অংশে অংশে আগত নিচের অর্ধাংশকে রেকটিফাই করে।

কার্যপদ্ধতি :
এসি ইনপুট ভোল্টেজের ধনাত্মক অর্ধচক্রের জন্য গৌণ কুন্ডলীর A প্রার্ল্ড ধনাত্মক এবং B প্রার্ল্ড ঋণাত্মক হয়। ফলে ডায়োড D; সম্মুখী ঝোঁক প্রাপ্ত হওয়ায় এর মধ্য দিয়ে তড়িৎ প্রবাহিত হয়। কিন্তু D2 ডায়োড বিমুখী ঝোঁক প্রাপ্ত হওয়ায় এবং মধ্য দিয়ে কোনো তড়িৎ প্রবাহিত হতে পারে না। এক্ষেত্রে বর্তনীতে OAD, PO পথে তড়িৎ প্রবাহিত হয় [(ক) ]। ইনপুট এসি ভোল্টেজের দ্বিতীয় অর্ধচক্রের জন্য, গৌণকুন্ডলীর A প্রার্ল্ড ঋণাত্মক এবং B প্রার্ল্ড ধনাত্মক হয়। ফলে ডায়োড D2 সম্মুখী ঝোঁক প্রাপ্ত হওয়ায় এর মধ্য দিয়ে তড়িৎ প্রবাহিত হয়। কিন্তু D, বিমুখী ঝোঁক প্রাপ্ত হওয়ায় এর মধ্য দিয়ে কোনো তড়িৎ প্রবাহিত হয় না।
এক্ষেত্রে বর্তনীতে OBD, PO পথে তড়িৎ প্রবাহিত হয়। সুতরাং চিত্র হতে দেখা যায় যে, লোড রেজিস্ট্যান্স RL এর মধ্য দিয়ে উভয় অর্ধচক্রের জন্য তড়িৎ একই দিকে প্রবাহিত হয়। অর্থাৎ লোড RL এর মধ্য দিয়ে একমুখী বা ডিসি তড়িৎ প্রবাহিত হয়। চিত্রে অনামী এবং বহির্গামী ভোল্টেজ তথা প্রবাহ এর তরঙ্গরূপ দেখানো হয়েছে। অর্ধতরঙ্গ রেকটিফায়ারের ক্ষেত্রে যেখানে শুধুমাত্র অর্ধচক্রের জন্য বহির্গামী ভোল্টেজ পাওয়া যায়, সেখানে পূর্ণতরঙ্গ রেকটিফায়ারের ক্ষেত্রে পূর্ণচক্রের [চিত্র ১০.১৫ (খ)] জন্য বহির্গামী ভোল্টেজ পাওয়া যায় ফলে একে পূর্ণতরঙ্গ রেকটিফায়ার বলে।
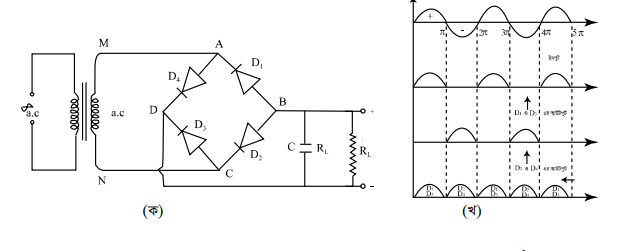
পূর্ণ তরঙ্গ ব্রিজ রেকটিফায়ার
Full Wave Bridge Rectifier
চারটি ডায়োড ব্যবহার করে পূর্ণ তরঙ্গ ব্রিজ রেকটিফায়ার তৈরি করা হয়। D1, D2, D3 এবং D, চারটি ডায়োড (চিত্র ১০.১৬)-এর ন্যায় সংযোগ করে একটি ব্রিজ গঠন করা হয়। রেকটিফাই বা একমুখী করার জন্য এসি উৎসকে একটি ট্রান্সফর্মারের মাধ্যমে ব্রিজের কোনার দুই বিপরীত প্রাড়ে চিত্রানুযায়ী সংযোগ দেওয়া হয়। অন্য দুই বিপরীত কোনার সাথে সংযোগ দেওয়া হয় লোড রেজিস্টান্স RL

কার্যপদ্ধতি :
পূর্ণ তরঙ্গ ব্রিজ রেকটিফায়ারে এসি অগামী উৎসের ধনাত্মক এবং ঋণাত্মক দুই অর্ধচক্রই কাজে লাগানো হয়। গৌণ ভোল্টেজের ধনাত্মক অর্ধচক্রের জন্য ট্রান্সফার্মারের M প্রার্ল্ড ধনাত্মক এবং N প্রাড় ঋণাত্মক হয়। এ অবস্থায় ডায়োড D, ও D3 সম্মুখ ঝোঁক এবং ডায়োড D2 ও D, বিমুখী ঝোঁক প্রাপ্ত হয়। ফলে D ও D; ডায়োড পরিবাহী এবং D2 ও Da ডায়োড অনকের কাজ করে। সুতরাং শুধুমাত্র D ও D, ডায়োডের মধ্য দিয়ে তড়িৎ প্রবাহিত হয়। DA ও D 2 ডায়েড দুটি লোড রেজিস্টান্স RL-এর সাথে শ্রেণি সমবায় সংযুক্ত হয়। তড়িৎ A থেকে লোড রেজিস্টান্স R এর মধ্য দিয়ে B এর দিকে প্রবাহিত হবে। RL-এর দুই প্রাড়ে ডিসি বহির্গামী পাওয়া যাবে [চিত্র(খ)]।
গৌণ ভোল্টেজের ঋণাত্মক অর্ধচক্রের জন্য ট্রান্সফার্মারের M প্রাড় ঋণাত্মক এবং N প্রাড় ধনাত্মক হয়। এ অবস্থায় ডায়োড D2 ও D সম্মুখ ঝোঁক এবং ডায়োড D ও D, বিমুখী ঝোঁক প্রাপ্ত হয়। ফলে D2 ও D4 ডায়োড পরিবাহী এবং Di ও D ডায়োড অকের কাজ করে। সুতরাং শুধুমাত্র D2 ও D ডায়োডের মধ্য দিয়ে তড়িৎ প্রবাহিত হয়। D 3 Da ডায়োড দুটি লোড রেজিস্টান্স RL এর সাথে শ্রেণি সমবায়ে সংযুক্ত হয়। তড়িৎ A থেকে লোড রেজিস্টান্স RL-এর মধ্য দিয়ে B এর দিকে প্রবাহিত হবে। RL-এর দুই প্রানে ডিসি বহির্গামী পাওয়া যাবে [চিত্র (খ)]।
সার-সংক্ষেপ :
রেকটিফিকেশন বা একমুখীকরণ:
যে প্রক্রিয়ায় পরিবর্তী প্রবাহ (Alternating current) বা ভোল্টেজকে একমুখী প্রবাহ (Direct current- ডিসি) বা ভোল্টেজে রূপান্ত্র করা হয় তাকে রেকটিফিকেশন বা একমুখীকরণ বলে। |
অর্ধ তরঙ্গ রেকটিফায়ার :
এসি সরবরাহের একটি পূর্ণ চক্রের উপর অর্ধের জন্য লোড রোধের মধ্য দিয়ে প্রবাহ পাওয়া গেলেও নিম্ন অর্ধেক এর জন্য কোনো প্রবাহ পাওয়া যায় না। পূর্ণ চক্রের এক অর্ধের জন্য প্রবাহ পাওয়া যায় বলে এবং এই প্রবাহের দিক একই থাকে বলে অর্ধ তরঙ্গ রেকটিফায়ার বলে।
পূর্ণতরঙ্গ রেকটিফায়ার :
অর্ধতরঙ্গ রেকটিফায়ারের ক্ষেত্রে যেখানে শুধুমাত্র অর্ধচক্রের জন্য বহির্গামী ভোল্টেজ পাওয়া যায়, সেখানে পূর্ণতরঙ্গ রেকটিফায়ারের ক্ষেত্রে পূর্ণচক্রের জন্য বহির্গামী ভোল্টেজ পাওয়া যায় ফলে একে পূর্ণতরঙ্গ রেকটিফায়ার বলে।
বহুনির্বাচনী প্রশ্ন :
সঠিক উত্তরের পাশে টিক (খ) চিহ্ন দিন
১। জাংশন ডায়োড সাধারণত কি কাজে ব্যবহার করা হয়?
(ক) সুইচ হিসেবে
(খ) রেকটিফায়ার হিসেবে
(গ) বিবর্ধক হিসেবে
(ঘ) স্পন্দক হিসেবে
২। পূর্ণতরঙ্গ ব্রিজ রেকটিফায়ার বর্তনীতে ব্যবহৃত ডায়োডের সংখ্যা-
(ক) একটি
(খ) দুইটি
(গ) তিনটি
(ঘ) চারটি
