আজকে আমরা মিটার ব্রিজ ব্যবহার করে কোনো তারের আপেক্ষিক রোধ নির্ণয় সম্পর্কে আলোচনা করবো। যা বাউবি এইচএসসি ২৮৭১ পদার্থ বিজ্ঞান ২য় পত্র ইউনিট ৩ তড়িৎ প্রবাহের চৌম্বক ক্রিয়া এর অন্তর্ভুক্ত।

মিটার ব্রিজ ব্যবহার করে কোনো তারের আপেক্ষিক রোধ নির্ণয়
পরীক্ষণের নাম:
মিটার ব্রিজ ব্যবহার করে কোনো তারের আপেক্ষিক রোধ নির্ণয়
তত্ত্ব:
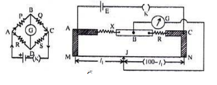
যদি X ও R যথাক্রমে মিটার ব্রিজের বাম ও ডান ফাঁকে প্রদত্ত অজানা ও জানা রোধ হয় এবং মিটার ব্রিজের বাম প্রাক্ড থেকে নিষ্ক্রিয় বিন্দুর দুরত্ব licm হয়, তা হলে হুইটস্টোন ব্রিজ নীতি [চিত্র: 3.27] থেকে পাওয়া যায়:
X/R = ব্রিজ তারের l1cm দৈর্ঘ্যের রোধ/ব্রিজ তারের ( 100-l1) দৈর্ঘ্যের রোধ
বা, X/R = l1σ/(100-l1)σ [এখানে, σ= ব্রিজ তারের একক দৈর্ঘ্যের রোধ]
বা, X/R = l1/(100-l1)
বা, X =Rl1/(100-l1) …………………..(1)
এবার X ও R রোধের স্থান বিনিময় করে R বাম ফাঁকে ও X ডান ফাঁকে স্থাপন করলে যদি বাম প্রাড় থেকে নিষ্ক্রিয় বিন্দুর
দূরত্ব /½ পাওয়া যায়, তা হলে
বা, X/R = l2σ/(100-l2)σ
বা, X/R = l2/(100-l2)
বা, X =Rl2/(100-l2) …………………..(2)
সমীকরণ (1) ও (2) হতে প্রাপ্ত X-এর মানদ্বয়ের গড় নিয়ে অজানা রোধ X নির্ণয় করা যায়।

পরীক্ষণীয় তারের দৈর্ঘ্য L, প্রস্থচ্ছেদের ক্ষেত্রফল A এবং উপাদানের আপেক্ষিক রোধ p হলে, রোধের সূত্র থেকে পাই,
X= PL/A
বা, P = XA/ L
বা, P = Xπr2/ L …………………..(2)
এখানে, A = তারের প্রস্থচ্ছেদের ক্ষেত্রফল = πr2
r = তারের ব্যাসার্ধ।
(3) নং সমীকরণে X, r ও ।–এর মান বসিয়ে আপেক্ষিক রোধের (p) মান নির্ণয় করা যায়।
যন্ত্রপাতি:
মিটার ব্রিজ, তড়িৎ কোষ, গ্যালভানোমিটার, জকি, চাবি, রোধ বাক্স, মিটার স্কেল, পরীক্ষণীয় তার ইত্যাদি
মিটার ব্রিজ
যন্ত্রের বিবরণ:
এই যন্ত্রে 1m লম্বা সুষম প্রস্থচ্ছেদের আবরণহীন একটি তার (MN) থাকে [চিত্র : ৩.২৭]। তারটি একটি কাঠের বোর্ডের উপর শায়িত থাকে। তার বরাবর একটি মিটারস্কেল থাকে। তারটির দুই প্রার্ল্ড L-আকারের দুটি তামার পাতের সাথে যুক্ত। আর একটি সোজা তামার পাত তারের মাঝ বরাবর তার থেকে একটু দুরে কাঠের পাটাতনের উপর আটকানো থাকে। এর ফলে, এই পাত ও L পাতের মধ্যে বামদিকে একটি ও ডানদিকে একটি ফাঁক সৃষ্টি হয়। বাম ও ডান ফাঁকে রোধ অন্তর্ভুক্ত করা যায়।
গ্যালভানোমিটারের এক প্রান্ত্ একটি চলনশীল জকি J এর সাথে যুক্ত থাকে। J-এর মাথা MN তারের যে কোনো বিন্দুতে স্পর্শ করানো যায় ।
এই যন্ত্রের কার্যনীতি হুইটস্টোন ব্রিজ নীতির উপর প্রতিষ্ঠিত।
[ চিত্রের ডান দিকের বর্তনী সরলীকৃত করলে বাম দিকের বর্তনীর মতো হয় । ]
কার্যপ্রণালী:
(১) প্রথমে খাতায় বর্তনী চিত্র (চিত্র: ৩.২৭) অঙ্কন করা হয়।
(২) সংযোজনী তারের প্রাগুলো সিরিশ কাগজ দিয়ে ঘষে পরিষ্কার করা হয়।
(৩) অজানা রোধ X ও রোধ বাক্স যথাক্রমে ব্রিজের বাম ও ডান ফাঁকে সংযুক্ত করা হয়। ব্রিজের B বিন্দু ও জকির (J) মধ্যে গ্যালভানোমিটার (G) সংযুক্ত করা হয়।
(৪) তড়িৎ কোষ E (চাবিসহ) ব্রিজের দুই প্রার্ল্ড A ও C এর মধ্যে যুক্ত করা হয়। রোধ বাক্সে কিছু রোধ (R) দেওয়া হয় । (চাবি বন্ধ করে, একবার জকিকে ব্রিজ তারের বাম প্রাড়ে ও আরেক বার ডান প্রাড়ে স্পর্শ করে গ্যালভানোমিটারে বিপরীতমুখী বিক্ষেপ পাওয়া গেলে বুঝা যায় যে, সংযোগ সঠিক হয়েছে)।
(৫) এবার জকি ধীরে ধীরে তারের বাম প্রান্ড থেকে সরিয়ে তারের উপর জকির এমন একটি অবস্থান নির্ণয় করা হয় যেখানে গ্যালভানোমিটারে কোনো বিক্ষেপ থাকে না। এটিই নিষ্ক্রিয় বিন্দু (Null Point)। মিটার ব্রিজের স্কেল থেকে বাম প্রান্ত্ ও নিষ্ক্রিয় বিন্দুর মধ্যবর্তী তারের দৈর্ঘ্য / ও অন্য অংশের দৈর্ঘ্য (100-li) বের করা হয়। (১) নং সমীকরণ ব্যবহার করে অজানা রোধ X এর মান নির্ণয় করা হয়।
(৬) এবার X ও R রোধের স্থান বিনিময় করে (বাম ফাঁকে R ও ডান ফাঁকে X স্থাপন করে) ৫নং প্রক্রিয়ার মতো নিষ্ক্রিয় বিন্দু বের করা হয়।
ব্রিজ তারের বাম প্রান্ত্ ও নিষ্ক্রিয় বিন্দুর মধ্যবর্তী তারের দৈর্ঘ্য /, ও অন্য অংশের দৈর্ঘ্য (100–12) বের করে (২) নং সমীকরণের সাহায্যে X-এর মান নির্ণয় করা হয়।
(৭) রোধ বাক্সে R রোধের মান পরিবর্তন করে উপরিউক্ত (৫) ও (৬) নং প্রক্রিয়ার মতো X-এর মান নির্ণয় করা হয় ।
(৮) পরীক্ষণীয় তারটির রোধের গড় মান বের করা হয়।
(৯) পরীক্ষণীয় তারটি মিটার ব্রিজ থেকে খুলে মিটারস্কেলের সাহায্যে এর দৈর্ঘ্য ও ক্রুগজের সাহায্যে এর ব্যাসার্ধ নির্ণয় করা হয়।
(১০)(৩) নং সমীকরণে X, L ও r এর মান বসিয়ে পরীক্ষণীয় তারের আপেক্ষিক রোধ নির্ণয় করা হয়।

উপাত্ত
ক্রুগজের পিচ = ………..mm = …………….cm.
বৃত্তাকার স্কেলের মোট ভাগ সংখ্যা =…..
লঘিষ্ঠ ধ্রুবক, K = পিচ/ বৃত্তাকার স্কেলের মোট ভাগসংখ্যা = …………..cm
প্রস্থচ্ছেদের ক্ষেত্রফল A নির্ণয়

রোধ নির্ণয়

পরীক্ষণীয় তারের দৈর্ঘ্য, L = ……………cm
হিসেব
পরীক্ষণীয় তারের আপেক্ষিক রোধ, p = Xπr2/Lohm-cm = ….. ohm-m
ফলাফল
প্রদত্ত তারের আপেক্ষিক রোধ, p = …………ohmm
সতর্কতা
(১) সংযোজনী তারের প্রাক্ড সিরিশ কাগজ দ্বারা ভালোভাবে পরিষ্কার করা হয়।
(২) সকল সংযোগ দৃঢ়ভাবে দেওয়া হয় ।
(৩) তুলে নেওয়া পণ্ঢাগ বাদে, রোধ বাক্সের অন্যান্য পণ্ঢাগগুলো টাইট করে লাগানো হয় ।
(৪) পরীক্ষণীয় তার যাতে উত্তপ্ত না হয় সে জন্য একটানা অনেকক্ষণ তড়িৎ প্রবাহিত করা হয় না এবং তড়িৎ প্রবাহের মান কম রাখা হয়।
[বিঃ দ্রঃ পাঠ নেওয়ার পূর্বে পরীক্ষাণীয় তারের রোধের মান (X) আন্দাজ করে নিয়ে R এর মান X এর কাছাকাছি রাখতে হবে। এর ফলে, নিষ্ক্রিয় বিন্দুর অবস্থান ব্রিজ তারের মাঝামাঝি পাওয়া যায় এবং ফলাফলে ত্রুটি কম হয়।]
সার-সংক্ষেপ :
মিটার ব্রিজ:
যে যন্ত্রে এক মিটার লম্বা সুষম প্রস্থচ্ছেদের আবরণহীন একটি তার থাকে এবং তারকে কাজে লাগিয়ে হুইটস্টোন ব্রিজের নীতি ব্যহার করে কোনো অজানা রোধ নির্ণয় করা হয় তাকে মিটার ব্রিজ বলা হয় ।
মূল্যায়ন
১. মিটার ব্রিজের তারের দৈর্ঘ্য
ক. 100 cm
খ. 1000 cm
গ. 500 cm
ঘ. 10 cm
২. মিটার ব্রিজের সাহায্যে-
ক. দুটি তারের দৈর্ঘ্যের তুলনা করা হয়
খ. তড়িচ্চালক শক্তি পরিমাপ করা হয়।
গ. রোধ নির্ণয় করা হয়
ঘ. বিভব পার্থক্য পরিমাপ করা হয়।
