আজকে আমরা মিটার ব্রীজ, পোস্ট অফিস বক্স ও পোটেনশিওমিটার সম্পর্কে আলোচনা করবো । যা বাউবি এইচএসসি ২৮৭১ পদার্থ বিজ্ঞান ২য় পত্র ইউনিট ২ চল তড়িৎ এর অন্তর্ভুক্ত।

মিটার ব্রীজ, পোস্ট অফিস বক্স ও পোটেনশিওমিটার
মিটার ব্রীজ (Meter Bridge) :
যে যন্ত্রের সাহায্যে এক মিটার লম্বা সুষম প্রস্থচ্ছেদের তারের অজানা রোধ নির্ণয় করা যায়, তাকে মিটার ব্রীজ বলা হয়। হুইটস্টোন ব্রীজ নীতি প্রয়োগ করে মিটার ব্রীজ তৈরী করা হয়। পরীক্ষাগারে কোনো পরিবাহীর অজানা রোধ নির্ণয় করার জন্য মিটার ব্রীজ ব্যবহার করা হয়।
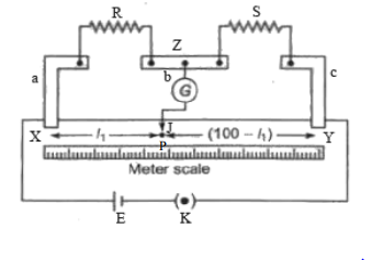
যন্ত্রের বর্ণনা:
এই যন্ত্রে একটি কাঠের তৈরী লম্বা পাটাতনের উপর তিনটি তামা বা পিতলের পাত a, b, c বসানো থাকে। পাত তিনটি সংযোজন ক্রু দ্বারা এমনভাবে বসানো থাকে যেন a ও b এবং b ও পাতের মাঝখানে ফাঁকা থাকে। পাতগুলোর রোধ নগন্য ধরা হয়।
a ও b পাতের মাঝখানে একটি মিটার স্কেল বসানো থাকে। এই স্কেলের দৈর্ঘ্য বরাবর X ও Y বিন্দুর সাথে একটি সুষম প্রস্থচ্ছেদের এক মিটার লম্বা তার আটকানো থাকে। এই যন্ত্রে তারটি রোধক হিসেবে ব্যবহৃত হয়। এই তারের দৈর্ঘ্য এক মিটার বলে একে মিটার ব্রীজ বলা হয়।

বর্তনী সংযোগ ও রোধ নির্ণয়:
যে পরিবাহীর রোধ নির্ণয় করতে হবে তা ব্রীজের ডান ফাঁকে অর্থাৎ b ও c এর মাঝখানে এবং জানা রোধ R, a ও b এর মাঝখানে সংযোগ স্ক্রুর সাহায্যে সংযুক্ত করা হয়। একটি ব্যাটারী E এর একপ্রান্ত্ X বিন্দুতে এবং অপরপ্রান্ত্ পণ্ঢাগ চাবি k এর মধ্য দিয়ে মিটার ব্রীজের Y বিন্দুর স্ক্রুর সাথে সংযুক্ত করা হয়। একটি গ্যালভানোমিটার, G এর একপ্রান্ত্ Z বিন্দুতে এবং অপর প্রান্ত্ জকি J এর সাথে যুক্ত থাকে। জকি J কে XY তারের যেকোনো বিন্দুতে স্পর্শ করানো যায়। স্পর্শ বিন্দুর দু’প্রান্ড্রের তারকে হুইটস্টোন ব্রীজের দুটি বাহু বিবেচনা করা যায়।
বর্তনী সংযোগ সম্পন্ন করে চাবি k বন্ধ করে জকি / কে তারের যেকোনো বিন্দুতে স্পর্শ করালে গ্যালভানোমিটারের বিক্ষেপ পাওয়া যাবে। জকিটিকে তারের উপর ডানে বা বামে সরালে এমন একটি বিন্দু পাওয়া যাবে, যে বিন্দুতে জকি / কে স্পর্শ করালো গ্যালভানোমিটারের কোনো বিক্ষেপ পাওয়া যাবে না। এ বিন্দুকে নিস্পন্দ বিন্দু (Null point) বলা হয় এবং এ অবস্থাকে ব্রীজের সাম্যাবস্থা বলা হয়।
মনে করি, তারের P বিন্দুটি নিস্পন্দ বিন্দু। X বিন্দু হতে P বিন্দুর দূরত্ব XP = 1 সে.মি।
অতএব, PY = (100 – l ) সে.মি।
সুষম প্রস্থচ্ছেদের কোনো তারের যেকোনো অংশের রোধ এর দৈর্ঘ্যের সমানুপাতিক। যদি তারের প্রতি সেমি দৈর্ঘ্যের রোধ ০ হয়, তাহলে / এবং ( 100-1) দৈর্ঘ্যের তারের রোধ হবে যথাক্রমে /o এবং ( 100-1)0 ওহম। সাম্যাবস্থায় XP অংশের রোধ P এবং PY অংশের রোধ Q ধরে হুইটস্টোন ব্রীজের দুটি বাহু ধরা হয়।
যদি অজানা রোধ S হয়, তাহলে হুইটস্টোন ব্রীজের নীতি অনুসারে পাওয়া যায়,
R/S = P/Q = lo (100-l)
S = (100-l)/l × R ……………..(1)
সুতরাং সমীকরণ (২.২৪) থেকে অজনা রোধ S এর মান নির্ণয় করা যায়।
এছাড়া মিটার ব্রীজের সাহায্যে তারের আপেক্ষিক রোধও নির্ণয় করা যায়।
ধরা যাক, পবিাহীর দৈর্ঘ্য L, ব্যাসার্ধ ।, রোধ S এবং আপেক্ষিক রোধ p
রোধের সূত্র থেকে আমরা জানি,
S = P . L/A [পরিবাহীর ক্ষেত্রফল, A = πr²]
p = SA /L = (Sx πr²)/L ……………..(2)
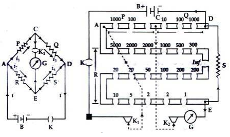
পোস্ট অফিস বক্স (Post Office Box) :
এই যন্ত্রের সাহায্যে পোষ্ট অফিসে টেলিগ্রাফের তারের রোধ নির্ণয় করা হতো বলে এটি পোষ্ট অফিস বক্স নামে পরিচিত
যন্ত্রের বর্ণনা:
এ যন্ত্রে বিভিন্ন মানের তিন প্রস্থ পণ্ডাগযুক্ত রোধ কুন্ডলী AC, CD এবং AE থাকে যা দ্বারা একটি হুইটস্টোন ব্রীজের তিনটি বাহু P, Q এবং R গঠিত হয়। P এবং Q বাহু দুটির প্রত্যেকটিতে 10, 100 এবং 1000 ওহমের তিনটি রোধ কুন্ডলী শ্রেণি সমবায়ে যুক্ত থাকে ।

AE কে তৃতীয় বাহু R ধরা হয়। এই বাহুতে সাধারণত 1 থেকে 5000 ওহমের কতকগুলো রোধ কুন্ডলী শ্রেণি সমবায়ে যুক্ত থাকে। যে কোনো একটি কুন্ডলীর পণ্ঢাগ তুলে নিলে ঐ রোধ বর্তনীতে অর্ন্তভুক্ত হয়ে পড়ে। D ও E বিন্দুর মধ্যে অজানা রোধ S সংযুক্ত করা হয়, যা হুইটস্টোন ব্রীজের চতুর্থ বাহু গঠন করে।
একটি টেপা চাবি Ki দ্বারা A এবং D বিন্দুর মধ্যে ব্যাটারী B এবং অন্য একটি টেপা চাবি K2 দ্বারা C এবং E বিন্দুর মধ্যে একটি গ্যালভানোমিটার G এর সংযোগ দেয়া হয়। A ও চাবি K, এর নিচের অংশ এবং C ও চাবি K2 এর নিচের অংশ অভ্যস্ত্রীণভাবে সংযুক্ত থাকে। ফলে চাবি K; এর সাহায্যে মূল বিন্দুর প্রবাহ এবং চাবি K2 এর সাহায্যে গ্যালভানোমিটারে বিদ্যুৎ প্রবাহ নিয়ন্ত্রন করা সম্ভব হয়।
অজানা রোধ নির্ণয়:
P ও Q বাহুদ্বয়ের প্রত্যেকটি হতে 10 ওহম রোধের পণ্ঢাগ উঠানো হয় এবং R বাহু হতে প্রয়োজনীয় সংখ্যক বিভিন্ন রোধের পণ্ঢাগ উঠানো হয় যাতে প্রথমে চাবি ki এবং পরে চাবি kg টিপে ধরলে গ্যালভানোমিটারের কোনো বিক্ষেপ না থাকে। তৃতীয় বাহুতে রোধের মান যদি R হয়, তাহলে অজানা রোধ $ এর মান হবে-
S = Q/P× R = 10/10 ×R = R
যদি অজানা রোধের মান পূর্ণসংখ্যা মানের হয়, তাহলে গ্যালভানোমিটারে নিস্পন্দ বিন্দু পাওয়া যায় না। সেক্ষেত্রে ৷ ওহম পার্থক্যের যে দুটি রোধের জন্য বিক্ষেপ বিপরীতমুখী হয় তা নির্ণয় করা হয়। তাহলে অজানা রোধকে এই দুটি রোধের মধ্যবর্তী কোনো রোধের সমান ধরা হয়। এখন P হতে 100 ওহম রোধের পণ্ঢাগ এবং Q হতে পূর্বের সমান অর্থাৎ 10 ওহম রোধের পণ্ঢাগ উঠানো হয়। তৃতীয় বাহু হতে বিভিন্ন রোধের পণ্ঢাগ উঠিয়ে যে মানের জন্য গ্যালভানোমিটারের বিক্ষেপ হয় না তা নির্ধারণ করা হয়।
তৃতীয় বাহুর রোধের মান R ধরা হলে, অজানা রোধ, S হবে
S = Q/P× R =10/100 x R = R/10
যদি এবারও নিস্পন্দ বিন্দু পাওয়া না যায়, তাহলে P বাহু হতে 1000 ওহম রোধের পণ্ঢাগ উঠানো হয় এবং পুনরায় পূর্বের পদ্ধতি অনুসরণ করা হয়। তাহলে
S = Q/P× R =10/1000 x R = R/100
অর্থাৎ R এর মানকে 100 দিয়ে ভাগ করে দু’দশমিক স্থান পর্যর্ল্ড অজানা রোধের মান সঠিকভাবে নির্ণয় করা যায়। ২.৬.৩
পোটেনশিওমিটার (Potentiometer) :
যে যন্ত্রের সাহায্যে বিভবপতন পদ্ধতিতে বিভব পার্থক্য ও বিদ্যুৎচ্চালক শক্তি সূক্ষ্ণভাবে নির্ণয় করা যায়, তাকে পোটেনশিওমিটার বলা হয়। এর সাহায্যে স্বল্প মানের তড়িৎপ্রবাহ ও নিম্নমানের রোধ মাপা সম্ভব হয়।

পোটেনশিওমিটারের গঠন:
এ যন্ত্রে একটি কাঠের তৈরী পাটাতনের উপর পরস্পর সমান্ডুরাল একই উপাদান ও সুষম প্রস্থচ্ছেদ বিশিষ্ট 10টি ম্যাঙ্গানিন বা কস্ট্যান্টানের তার মোটা তামার পাতের দ্বারা পরস্পরের সাথে শ্রেণি সমবায়ে যুক্ত আছে। প্রতিটি তারের দৈর্ঘ্য 1 মিটার। প্রথম ও শেষ তারের মুক্ত প্রার্ল্ড কাঠের পাটাতনের উপর দুটি সংযোজক স্ক্রু A এবং D এর সাথে আটকানো থাকে। পাটাতনের এক পাশে তারের সমাালে একটি মিটার স্কেল S থাকে যার সাহায্যে তারের যেকোনো বিন্দু পর্যন্ত্ দৈর্ঘ্য পরিমাপ করা যায়।
পাটাতনের উপর তিন পা বিশিষ্ট একটি ত্রিকোণাকার জকি J থাকে যা তারের দৈর্ঘ্য বরাবর ডানে বা বামে চলাচল করতে পারে। জকিটির মাঝখানে একটি টেপা চাবি থাকে। তারের যেকোনো অবস্থানে টেপা চাবিটি চেপে ধরলে তারের সংগে সংযোগ স্থাপন করা যায় ।
কার্যপ্রণালী :
ধরা যাক, পোটেনশিওমিটার তারের A এবং D প্রান্ড্রের সাথে একটি ব্যাটারী B, একটি চাবি K ও একটি পরিবর্তনশীল রোধ Rh সংযুক্ত করে একটি বর্তনী সম্পন্ন করা হলো। তারের মধ্য দিয়ে বিদ্যুৎ প্রবাহ I, প্রবাহিত হচ্ছে।

যদি AD তারের মোট রোধ R হয়,
তাহলে VA – VD = V = IR
AD তারের প্রতি একক দৈর্ঘ্যের বিভব পার্থক্য p, হলে
p = V/L [L = AD তারের দৈর্ঘ্য)
= IR/L
এখন তারের উপর যেকোনো একটি বিন্দু C নিই এবং AC = 1 হলে AC অংশের বিভব পার্থক্য হবে,
VA – Vc = pl
তাহলে বলা যায়, এ প্রাক্ড হতে AD এর উপর যেকোনো বিন্দুর বিভব এ হতে ঐ বিন্দুর দূরত্বের সমানপাতিক কোনো অজ্ঞাত মানবিশিষ্ট বিদ্যুচ্চালক কোষ E এর ধনাত্মক প্রার্ল্ড A এর সাথে যুক্ত করা হয় এবং অপর প্রার্ল্ড গ্যালভানোমিটারের সাথে সংযুক্ত করা হয়। গ্যালভানোমিটারের অন্য প্রাড়ে একটি জকি J এর সাথে যুক্ত করা হয় যাতে জকিকে AD তারের সাথে যেকোনো বিন্দুতে স্পর্শ করানো যায়। এখন জকিটিকে C বিন্দুতে স্পর্শ করালে যদি গ্যালভানোমিটার শূন্য বিক্ষেপ দেয় তাহলে অজানা কোষের বিদ্যুৎচ্চালক বল (E) এর মান Va – Vc এর সমান হবে।

অর্থাৎ E1 = Va – Vc
যদি A বিন্দু হতে C বিন্দুর দূরত্ব l হয়,
তাহলে, E1 = VA – Vc = pl
বা, E1 = IR/L.l
বা, E1 = l/L× IR
কিন্তু পোটেনশিওমিটার তারের মোট দৈর্ঘ্য, L = 1000 সে.মি.
E₁ = 1/1000 × IR
এটিই হচ্ছে পোটেনশিওমিটারের কার্যনীতির মূলতত্ত্ব।
উদাহরণ ১: একটি মিটার ব্রীজের দুই শূন্য স্থানের একটিতে 82 এবং 10 2 অন্যটিতে রোধ যুক্ত করা হলো। ভারসাম্য বিন্দু কোথায় হবে?
দেওয়া আছে,
R = 8 ওহম
S = 10 ওহম
ভারসাম্য বিন্দুর দূরত্ব, l = ?
আমরা জানি,
R/S = l (100-l)
বা, 8/10 = l/(100-l)
বা, 10l = 800 – 8l
বা, 18l = 800
বা, l = 800/18
:: l = 44.44 cm
উত্তর: 44.44 cm

সার-সংক্ষেপ :
মিটার ব্রীজঃ
যে যন্ত্রের সাহায্যে এক মিটার লম্বা সুষম প্রস্থচ্ছেদের তারের অজানা রোধ নির্ণয় করা যায়, তাকে মিটার ব্রীজ বলা হয় ।
পোষ্ট অফিস বক্স:
এই যন্ত্রের সাহায্যে পোষ্ট অফিসে টেলিগ্রাফের তারের রোধ নির্ণয় করা হতো বলে এটি পোষ্ট অফিস বক্স নামে পরিচিত।
পোটেনশিওমিটারঃ
যে যন্ত্রের সাহায্যে বিভবপতন পদ্ধতিতে বিভব পার্থক্য ও বিদ্যুৎচ্চালক শক্তি সূক্ষ্ণভাবে নির্ণয় করা যায়, তাকে পোটেনশিওমিটার বলা হয়।
বহুনির্বাচনী প্রশ্নঃ
সঠিক উত্তরের পাশে টিক (খ) চিহ্ন দিন
১। পোটেনশিওমিটারের তারের সাথে গ্যালভানোমিটারের তারের সংযোগ ঘটায় কোনটির মাধ্যমে?
ক) অ্যামিটার
খ) ভোল্টমিটার
গ) জকি
ঘ) রিওস্ট্যাট
২। মিটার ব্রীজের সাহায্যে-
i) অজানা রোধ নির্ণয় করা যায়।
ii) কোনো উপাদানের আপেক্ষিক রোধ নির্ণয় করা যায়।
iii) ধারকত্ব নির্ণয় করা যায়।
নিচের কোনটি সঠিক?
ক) i ও ii
খ) i ও iii
গ) ii ও iii
ঘ) i, ii ও iii
